LEMON Manuals: Even more car manuals for everyone: 1960-2025
Home >> Cadillac >> 1987 >> Seville >> Repair and Diagnosis (Single Page) >> Engine Performance >> System >> DFI BCM Tests W/Codes >> Code B128 - Bulb Reference Circuit >> Notes On INTERMITTENTS
April 5, 2026: LEMON Manuals is launched! Read the announcement.

Notes On INTERMITTENTS

If intermittent code is being set, check for loose or dirty connections. Also, check corroded terminal ends.

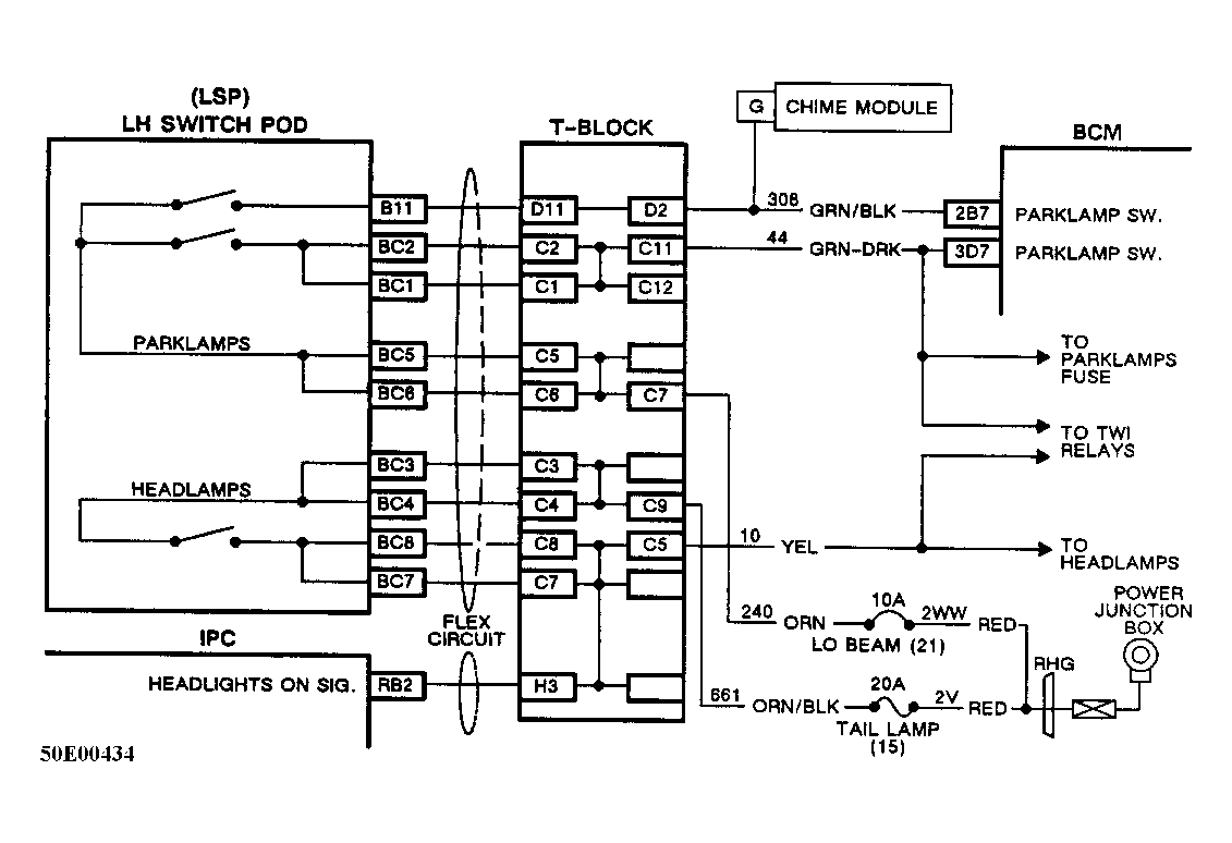
Fig 1: Schematic, Code B128 - Bulb Reference Circuit
G50E00434
Fig 2: Flow Chart, Code B128 - Bulb Reference Circuit
G50B00423
Fig 3: Flow Chart, Code B128 - Bulb Reference Circuit
GB0048194