LEMON Manuals: Even more car manuals for everyone: 1960-2025
Home >> Cadillac >> 1987 >> Seville >> Repair and Diagnosis >> Engine Performance >> System >> DFI BCM Tests W/Codes >> Code B420 - Relay Circuits >> Notes On INTERMITTENTS
April 5, 2026: LEMON Manuals is launched! Read the announcement.

Notes On INTERMITTENTS

If intermittent code is being set, check for loose or dirty connections. Also, check corroded terminal ends.

Fig 1: Schematic Code B420, Courtesy Lamp Relay Circuit
G50E00442
Fig 2: Flow Chart Code B420, Courtesy Lamp Relay Circuit
G50A00497
Fig 3: Flow Chart Code B420, Courtesy Lamp Relay Circuit
GB0048201
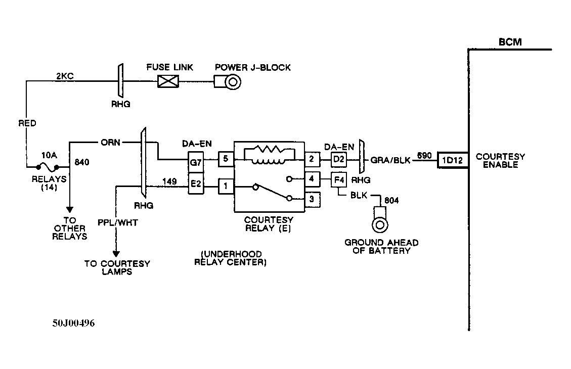
Fig 4: Schematic Code B420, Courtesy Lamp Relay Circuit
G50J00496
Fig 5: Flow Chart Code B420, Courtesy Lamp Relay Circuit
G50I00495
Fig 6: Flow Chart Code B420, Courtesy Lamp Relay Circuit
GB0048202
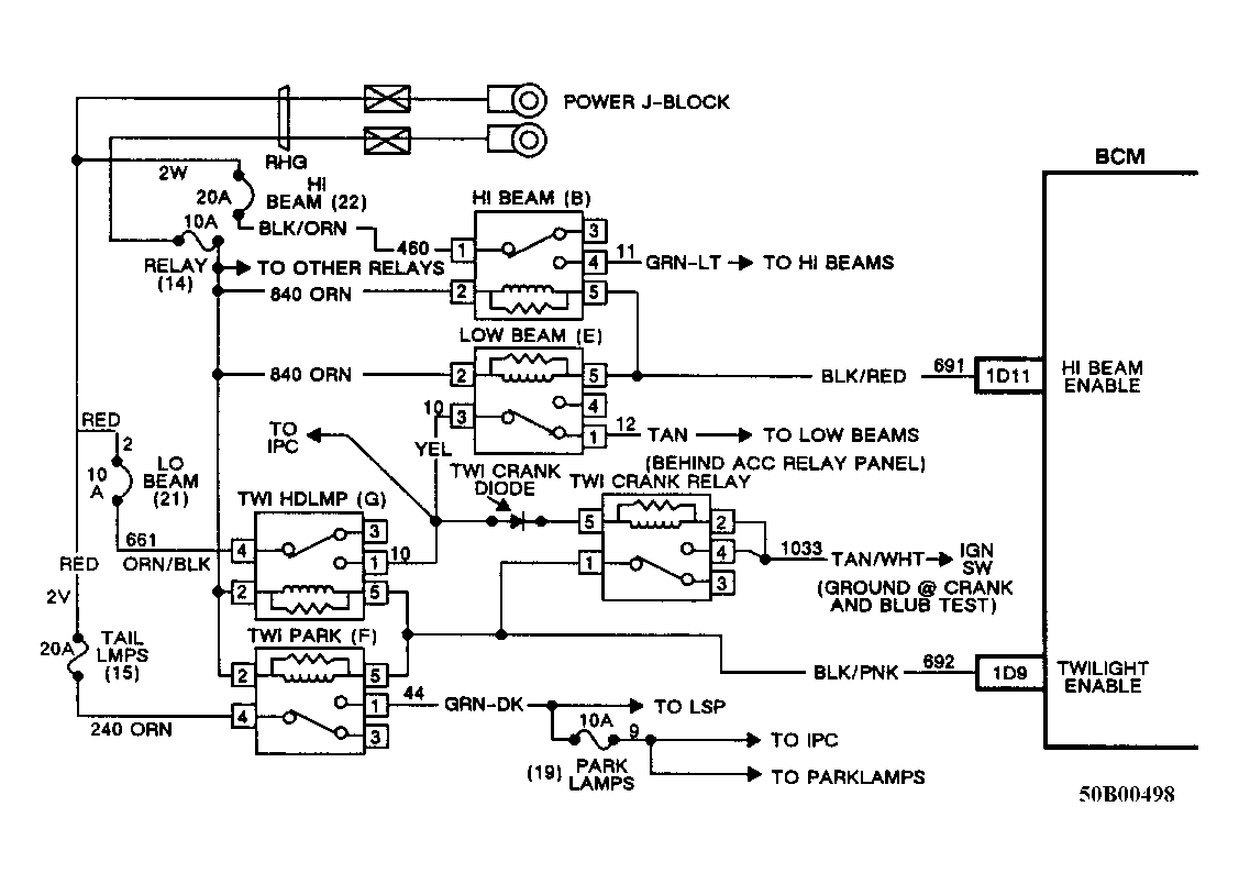
Fig 7: Schematic Code B420, Twilight Relays Circuit
G50B00498
Fig 8: Flow Chart Code B420, Twilight Relays Circuit
G50C00499
NOTE: Use this procedure only if directed here from Chart B420
Fig 9: Flow Chart Code B420, Twilight Relays Circuit
GB0048203
Fig 10: Schematic, Code B420 Hi/Lo Beam Relays Circuit
G50F00500
Fig 11: Flow Chart Code B420, Hi/Lo Beam Relays Circuit
G50F00443
Fig 12: Flow Chart Code B420, Hi/Lo Beam Relays Circuit
GB0048204
Fig 13: Schematic, Code B420 Retained Accessory Power Relays Circuit
G50G00444
Fig 14: Flow Chart Code B420, Retained Accessory Power Relays Circuit
G50H00445
Fig 15: Flow Chart Code B420, Retained Accessory Power Relays Circuit
GB0048205