LEMON Manuals: Even more car manuals for everyone: 1960-2025
Home >> Cadillac >> 1987 >> Seville >> Repair and Diagnosis >> Engine Performance >> System >> DFI ECM Tests W/Codes >> Diagnosis & Testing >> Hard Code E014 - Shorted Coolant Sensor Circuit >> Notes On Intermittents
April 5, 2026: LEMON Manuals is launched! Read the announcement.

Notes On Intermittents

Manipulate circuit No. 410 wiring, the coolant sensor and ECM connector while observing ECM parameter ED04. If failure is induced, coolant temperature will jump from normal value to shorted readings of 287-304°F (142-151°C). Remove and replace both the coolant and ECM connectors. Ensure they are latched before replacing components.

Fig 1: Hard Trouble Code E014 - Shorted Coolant Sensor Circuit
G4347
Fig 2: Hard Trouble Code E014 - Shorted Coolant Sensor Circuit
GB0020703
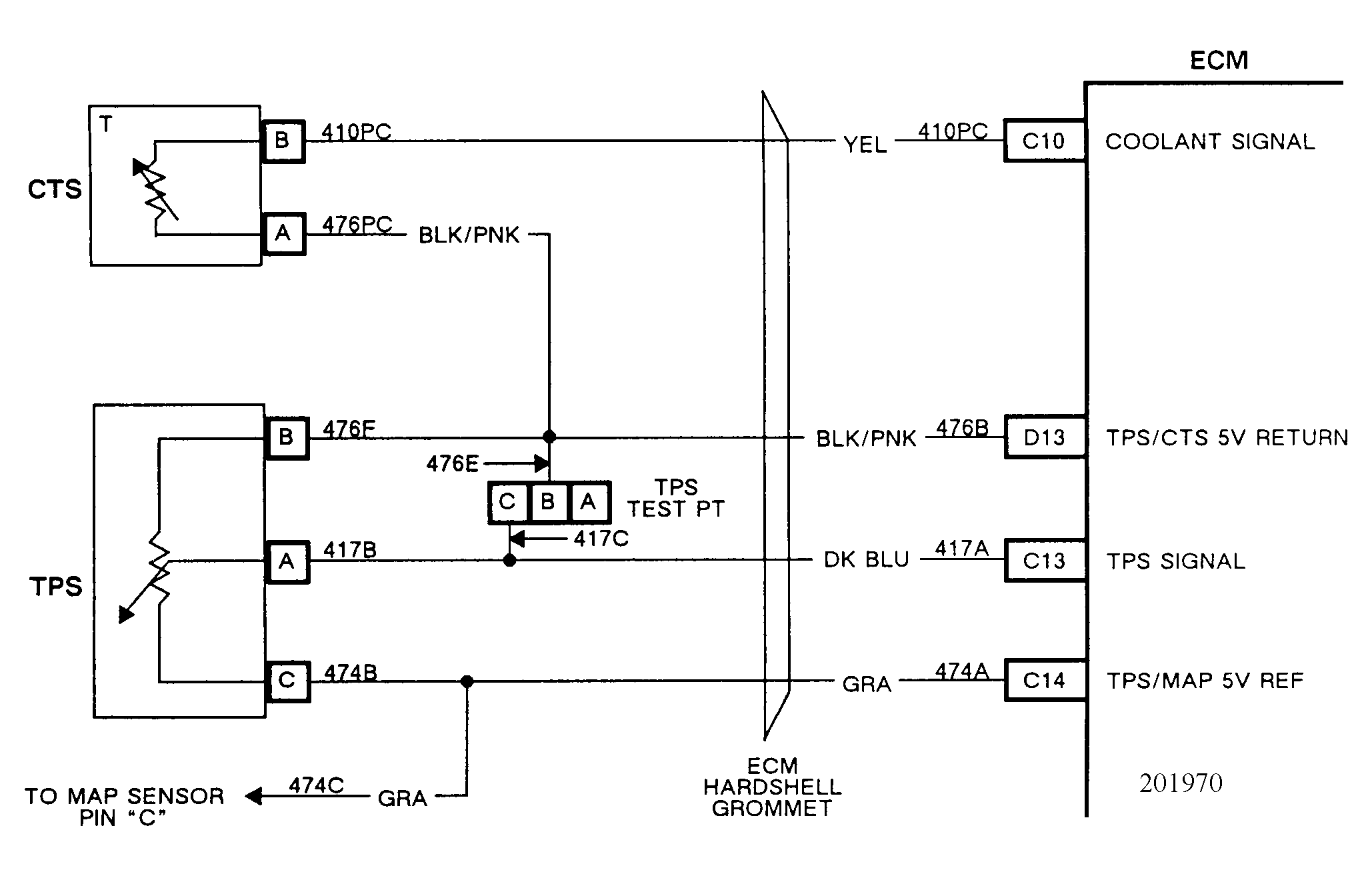
Fig 3: Schematic for Hard Trouble Code E014
G201970