LEMON Manuals: Even more car manuals for everyone: 1960-2025
Home >> Cadillac >> 1987 >> Seville >> Repair and Diagnosis >> Engine Performance >> System >> DFI ECM Tests W/Codes >> Diagnosis & Testing >> Hard Code E015 - Open Coolant Sensor Circuit >> Notes On Intermittents
April 5, 2026: LEMON Manuals is launched! Read the announcement.

Notes On Intermittents

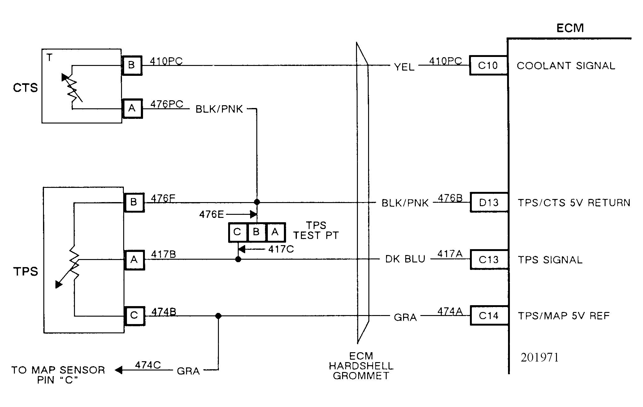
Manipulate circuit Nos. 410 and 476 wiring, coolant sensor and ECM connector while observing ECM parameter EDO4. If failure is induced, coolant temperature will jump from its normal value to open circuit reading. Disconnect and reconnect both the coolant sensor and ECM connectors. Ensure they are latched before replacing components.

Fig 1: Hard Trouble Code E015 - Open Coolant Sensor Circuit
G4348
Fig 2: Hard Trouble Code E015 - Open Coolant Sensor Circuit (1 of 2)
GB0020704
Fig 3: Hard Trouble Code E015 - Open Coolant Sensor Circuit (2 of 2)
GB0020705
Fig 4: Schematic for Hard Trouble Code E015
G201971