LEMON Manuals: Even more car manuals for everyone: 1960-2025
Home >> Cadillac >> 1987 >> Seville >> Repair and Diagnosis >> Engine Performance >> System >> DFI ECM Tests W/Codes >> Diagnosis & Testing >> Hard Code E022 - Open Throttle Position Sensor CKT >> Notes On Intermittents
April 5, 2026: LEMON Manuals is launched! Read the announcement.

Notes On Intermittents

If a code "E022" is intermittent, manipulate related wiring while observing ECM parameter ED01. Check the TPS test point for short to ground. Cycle TPS through its travel and tap on TPS with a pencil for pocket screwdriver to test for intermittent TPS. If fault is induced, parameter will jump to -6° or less.

Fig 1: Hard Trouble Code E022 - Open TPS Circuit
G4359

NOTE: If A Hard Code E022 Is Accompanied By Hard Code E032,

See DFI Chart A, Multiple ECM Codes Stored Hard

Fig 2: Hard Trouble Code E022 - Open TPS Circuit (1 of 2)
GB0020720
Fig 3: Hard Trouble Code E022 - Open TPS Circuit (2 of 2)
GB0020721
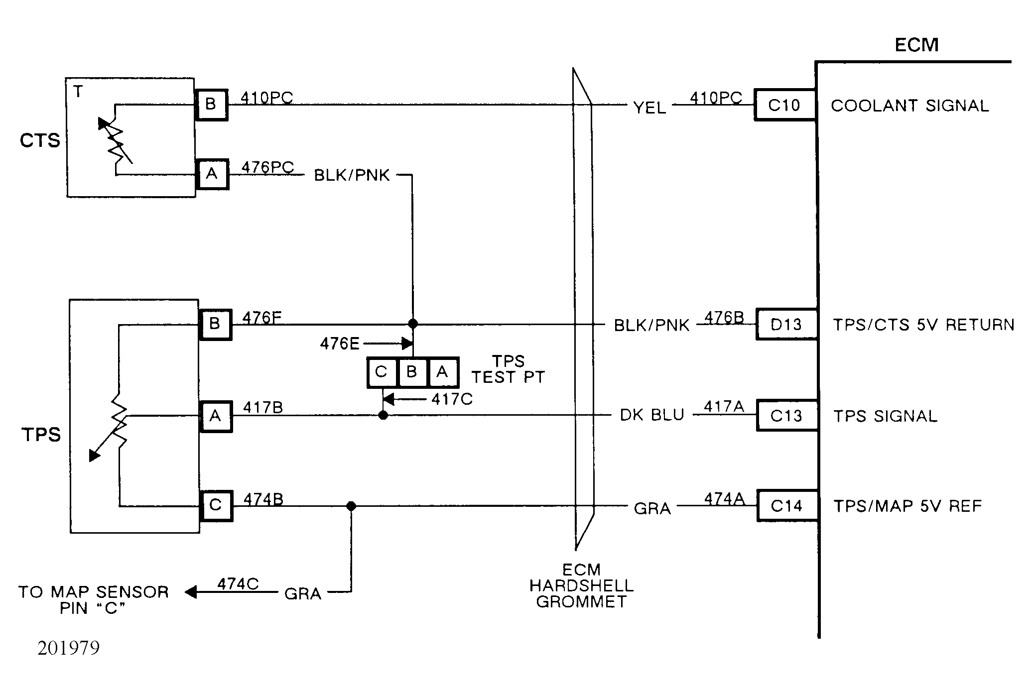
Fig 4: Schematic for Hard Trouble Code E022
G201979