LEMON Manuals: Even more car manuals for everyone: 1960-2025
Home >> Cadillac >> 1988 >> Allante F7/ME9 >> Repair and Diagnosis >> Body & Frame >> Body, Cab Control Systems >> Body Computer Module >> Diagnostic Tests >> DTC B552: Keep Alive Memory Error >> Description
April 5, 2026: LEMON Manuals is launched! Read the announcement.

DTC B552: Keep Alive Memory Error: Description

Code B552 does not indicate a fault. It is, however, a normal occurrence whenever the power to the BCM is interrupted.

Code B552 indicates that the keep alive, or long term, memory in the BCM has been reset. This will be the case whenever power is removed from the BCM. This can happen if the battery cable or BCM power connector are disconnected. This code should be cleared from memory after restoring the BCM power supply.

Code B552 cannot be cleared from the memory in the normal manner. It can only be cleared if it is not current.

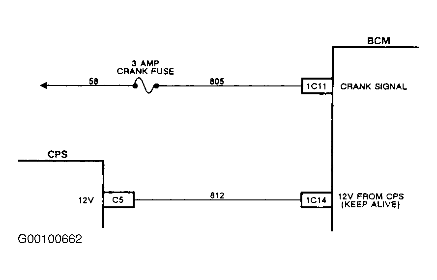
The Code B552 may also be set if the following conditions are present: ignition in CRANK position and no system voltage signal is present at BCM terminal No. 1C11.

The purpose of the crank circuit is to signal the BCM to shut off during cranking so that voltage variations do not affect the delicate BCM and ECM electronic devices.

Normally, the code will become history with the following conditions:

This code should now be history, and can be cleared in the normal manner.

Clear the code with the engine at normal operating temperature and the charging and starting system should be in proper working order.

NOTE: When all diagnosis and repairs are completed, clear codes and verify operation.
Fig 1: DTC B552: Keep Alive Memory Error Circuit
G00100662Courtesy of GENERAL MOTORS CORP.