LEMON Manuals: Even more car manuals for everyone: 1960-2025
Home >> Cadillac >> 1988 >> Seville Base >> Repair and Diagnosis >> Engine Performance >> System >> DFI BCM Tests W/Codes >> BCM Code B123 - Courtesy Light Switch >> Notes On INTERMITTENTS
April 5, 2026: LEMON Manuals is launched! Read the announcement.

Notes On INTERMITTENTS

If intermittent code B123 is being set, manipulate circuit No. 685. When BCM input B101 change-of-state indicator displays an "X", check circuit at that location for intermittent fault.

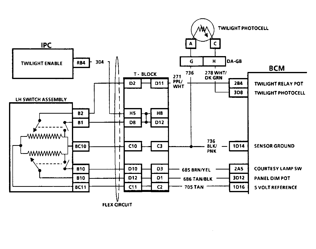
Fig 1: Code B123 Schematic, Courtesy Light Switch
G57396
Fig 2: Code B123 Flow Chart, Courtesy Light Switch
G57406
Fig 3: Code B123 Flow Chart, Courtesy Light Switch
GB0048575