LEMON Manuals: Even more car manuals for everyone: 1960-2025
Home >> Cadillac >> 1988 >> Seville Base >> Repair and Diagnosis >> Engine Performance >> System >> Fuel Injection System - Digital >> Wiring Diagrams
April 5, 2026: LEMON Manuals is launched! Read the announcement.

Wiring Diagrams

Fig 1: 1988 DeVille & Fleetwood Wiring Diagram
G54355
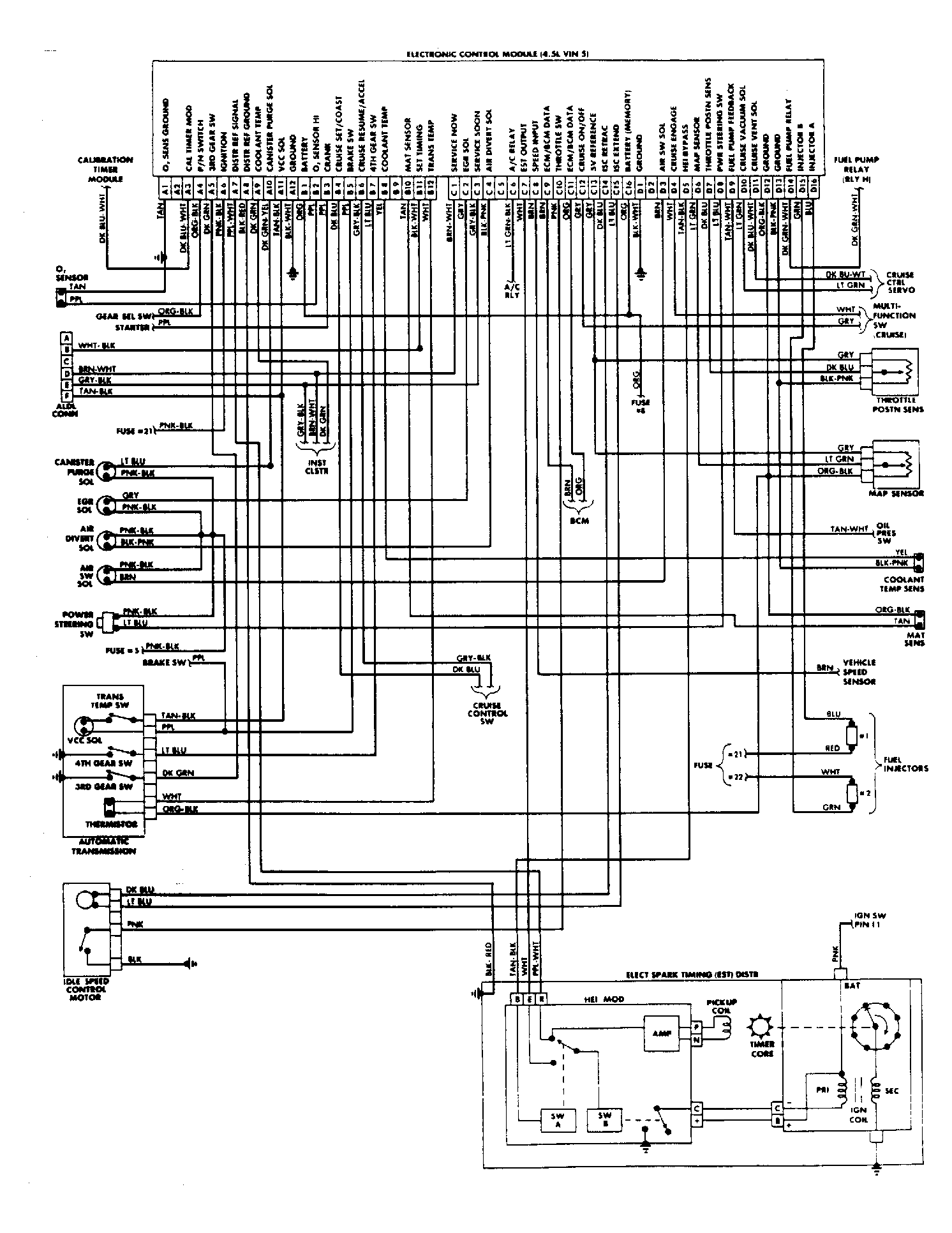
Fig 2: 1988 Eldorado & Seville Wiring Diagram
G54356