LEMON Manuals: Even more car manuals for everyone: 1960-2025
Home >> Cadillac >> 1989 >> Allante F7/ME9 >> Repair and Diagnosis >> Body & Frame >> Body, Cab Control Systems >> Body Computer Module >> Diagnostic Tests >> DTC B119: Twilight Photocell Circuit >> Notes
April 5, 2026: LEMON Manuals is launched! Read the announcement.

DTC B119: Twilight Photocell Circuit: Notes

NOTE: When all diagnosis and repairs are completed, clear codes and verify operation. Be sure nothing is covering sensor before following this procedure.
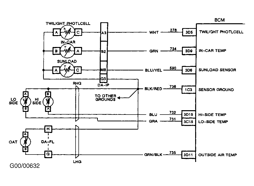
NOTE: The following numbered steps refer to circled numbers on diagnostic chart. See Figure . For circuit identification, see Figure .