LEMON Manuals: Even more car manuals for everyone: 1960-2025
Home >> Cadillac >> 1989 >> Eldorado >> Repair and Diagnosis (Single Page) >> Electrical >> Charging Systems >> Alternator & Regulator - 120 Amp >> Diagnostic Testing >> Code B410, Charging System Circuit Test >> Notes
April 5, 2026: LEMON Manuals is launched! Read the announcement.

Code B410, Charging System Circuit Test: Notes

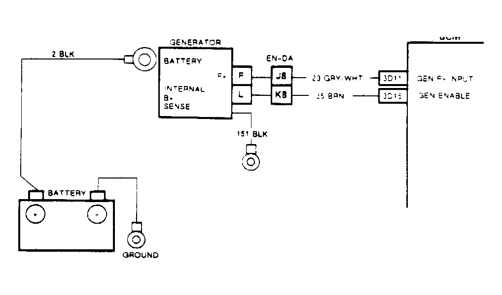
Fig 1: Code B410, Charging System Circuit Test Wiring Diagrams
G109200

Generator has fault detection capability built into regulator. BCM will supply 12 volts to regulator over terminal "I" (CKT 25) and monitor field voltage of generator by way of PWM signal over terminal "F+" (CKT 23). Code B410 will set during the following conditions:

  1. Engine is running. Generator enable line is low.
  2. Engine is running. Generator enable line is high. Generator field input is less than 2 percent.
  3. Ignition is on (engine not running). Generator enable is high.
  4. Ignition is on (engine not running). Generator enable is low. Generator field input is less than 2 percent. Code B410 will cause "GENERATOR PROBLEM" message to be displayed on DIC and "NO CHARGE" message telltale to light on IPC.
NOTE: Test numbers refer to test numbers on diagnostic chart.
  1. BCM input BI51 displays generator signal voltage as "HI" or "LO" depending on voltage state at BCM. Normally, with key on (engine not running), CKT 25 will be pulled low by generator (BI51 reads low).
  2. Checks to see if low reading is due to CKT 25 or generator. When generator is disconnected, if reading changes from "LO" to "HI", then CKT 25 and BCM are okay.
  3. Checks to determine if fault is caused by BCM or CKT 25.
  4. Amount of generator field activity is displayed by BCM data value BD51. Under normal conditions reading below 7 percent indicates fault in field circuit or BCM.
  5. Removing generator connector will determine if fault is due to generator or an open in CKT 25, including BCM and interface connector.