LEMON Manuals: Even more car manuals for everyone: 1960-2025
Home >> Cadillac >> 1989 >> Seville Base >> Repair and Diagnosis >> Engine Performance >> System >> DFI ECM Tests W/Codes >> Diagnostic Charts >> ECM Code EO27 - Open Throttle Switch Circuit >> Notes On Intermittents
April 5, 2026: LEMON Manuals is launched! Read the announcement.

Notes On Intermittents

Check for binding throttle shaft and throttle blades, weak or distorted throttle spring, cruise control or throttle valve cable binding, or properly installed TPS. Intermittent Code EO27 can be induced by resting foot on accelerator with key on/key off for 10 seconds, during key on cycle.

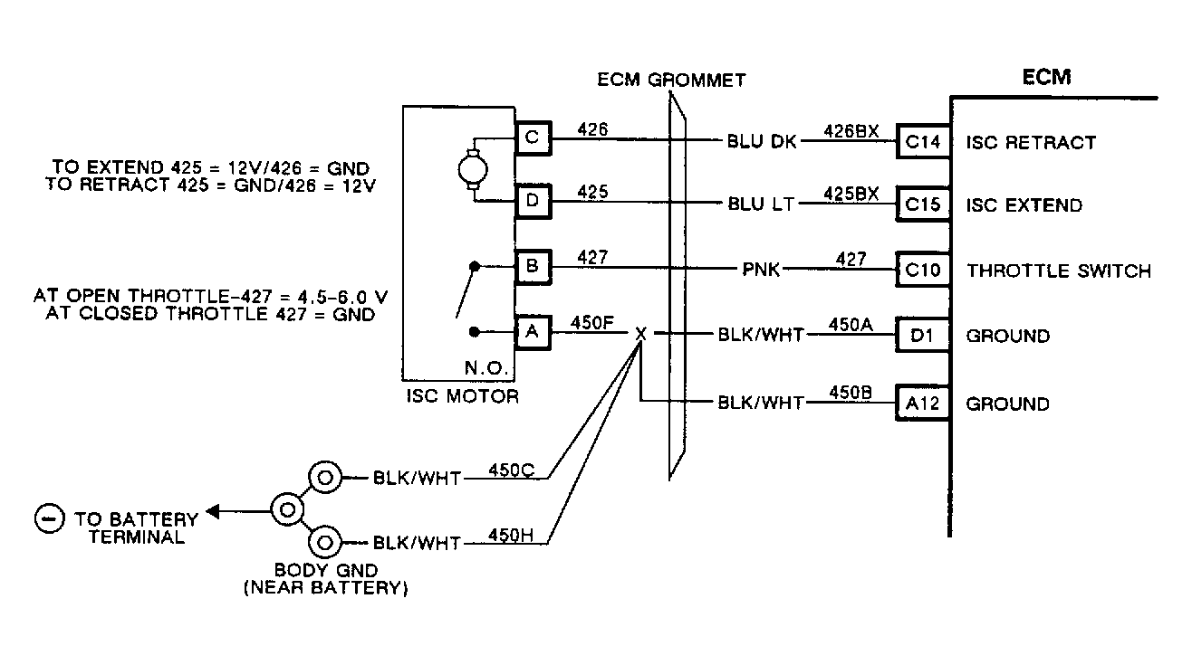
Fig 1: ECM Code E027, Open Throttle Switch Circuit Schematic
G57325
Fig 2: Flow Chart, Code E027, Open Throttle Switch Circuit
G111810