LEMON Manuals: Even more car manuals for everyone: 1960-2025
Home >> Cadillac >> 1990 >> Allante F7/ME9 >> Repair and Diagnosis >> Engine Performance >> System >> Engine Controls - Self-Diagnostics >> Diagnostic Tests >> ECM Input EI83: Cruise Control Set/Coast Switch >> Test Description
April 5, 2026: LEMON Manuals is launched! Read the announcement.

Test Description

NOTE: The Cruise Switch must be ON to perform this test. Switch Test EI82 should be performed before this test to ensure power to the SET/COAST switch.

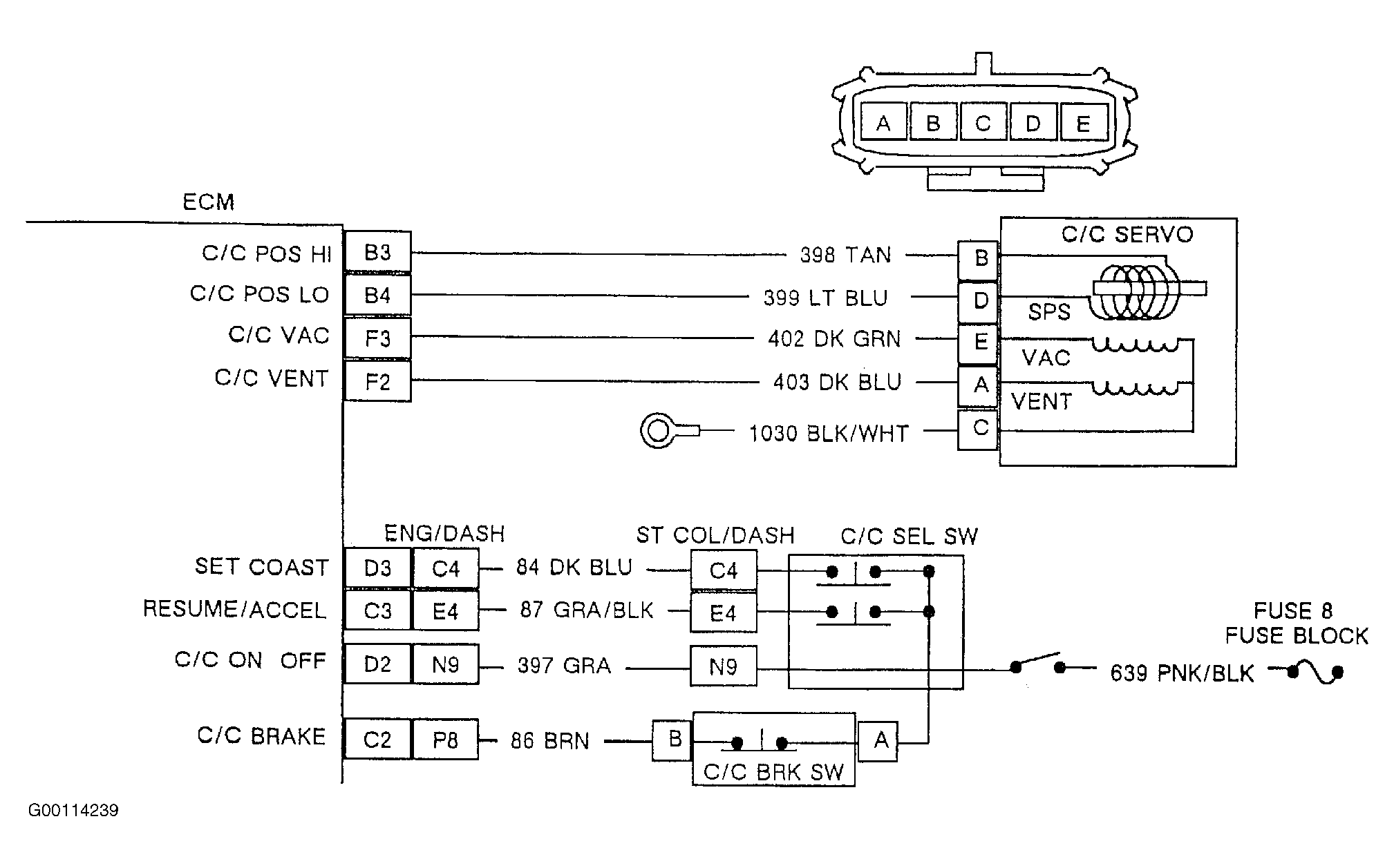
This test detects the close of the Set-Coast switch in the turn signal lever at terminal D3 of the ECM.

NOTE: For diagnostic chart, see Fig 1 . For circuit identification, see Figure .
  1. LO indicate the Set/Coast switch is open. HI indicates that the switch is closed.
Fig 1: Identifying ECM Input EI83: Cruise Control Set/Coast Switch Flow Chart
G00129504Courtesy of GENERAL MOTORS CORP.