Action Taken:
- Disengages cruise control for key cycle.
- ECM turns on SERVICE SOON light for 16 seconds.
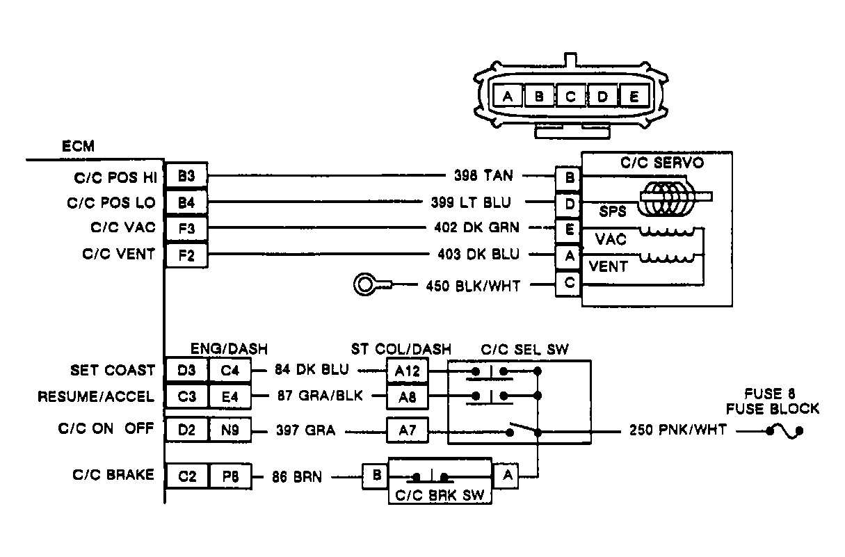
ECM continuously compares cruise control servo position sensor to throttle position. This diagnostic test monitors for a throttle position greater than 20 degrees and servo position greater than commanded by ECM for 2 seconds.
NOTE:
Test numbers refer to test numbers on diagnostic chart.
Test Number 1) TPS value should decrease at a steady rate.