LEMON Manuals: Even more car manuals for everyone: 1960-2025
Home >> Cadillac >> 1991 >> Allante F7/ME9 >> Repair and Diagnosis >> Body & Frame >> Body, Cab Control Systems >> Body Computer Module >> Self Diagnostics System Check >> Chart B: Displays Blank >> Notes On Intermittents
April 5, 2026: LEMON Manuals is launched! Read the announcement.

Notes On Intermittents

Check circuits 640, 812A, B and C for intermittent shorts to ground.

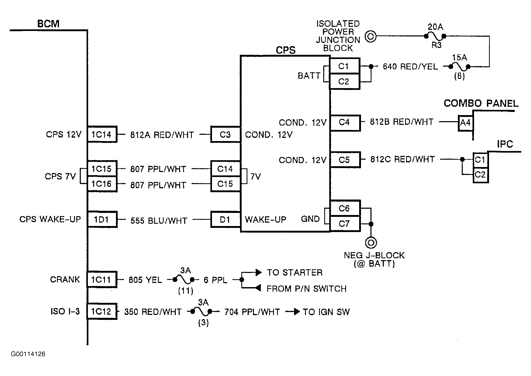
NOTE: The following step numbers refer to circled numbers on diagnostic chart. See Fig 1 . For circuit identification, see Fig 2 .
  1. Brake application will determine if the BCM is able to "Wake-Up" the CPS and communicate with the OSM's to turn on the brake lamps. If the lamps work, the BCM and CPS are functioning correctly.
  2. This step checks for ignition-3 (I-3) input to the BCM, if I-3 is not at system voltage the BCM will not turn on the displays.
  3. This checks the CPS for correct 12 volt output on circuit 812A.
  4. Although the fuse is good, the CPS has no voltage, therefore there is an open in the supply to the fuse, or between the fuse and the CPS.
  5. The fuse was blown, therefore replacing the fuse will determine if there is a current or intermittent circuit failure.
Fig 1: Chart B: Displays Blank Flow Chart
G00129542Courtesy of GENERAL MOTORS CORP.
Fig 2: Chart B: Displays Blank Flow Chart Circuit
G00114126Courtesy of GENERAL MOTORS CORP.