LEMON Manuals: Even more car manuals for everyone: 1960-2025
Home >> Cadillac >> 1991 >> Seville Base >> Repair and Diagnosis (Single Page) >> Accessories & Equipment >> Cruise Control Systems >> Input Test >> Input Test EI83 Cruise Set/Coast Switch Test
April 5, 2026: LEMON Manuals is launched! Read the announcement.

Input Test EI83 Cruise Set/Coast Switch Test

Test Conditions

After diagnostic trouble codes have been displayed, Driver Information Center (DIC) will display ECM?. Depress HI blower button. Display will change to read ECM DATA?. Depress LO blower button. Display will change to read ECM INPUTS?.

Depress HI blower button. Display will change to read C/C BRAKE EI70. Place cruise control slider switch in ON position. Depress LO blower button 5 times. Display will change to read LO 0 C/C SET/CO EI83. When cruise control SET/COAST button is depressed, display will change to read HI X. Change from 0 to X indicates that test has been successfully completed.

Action

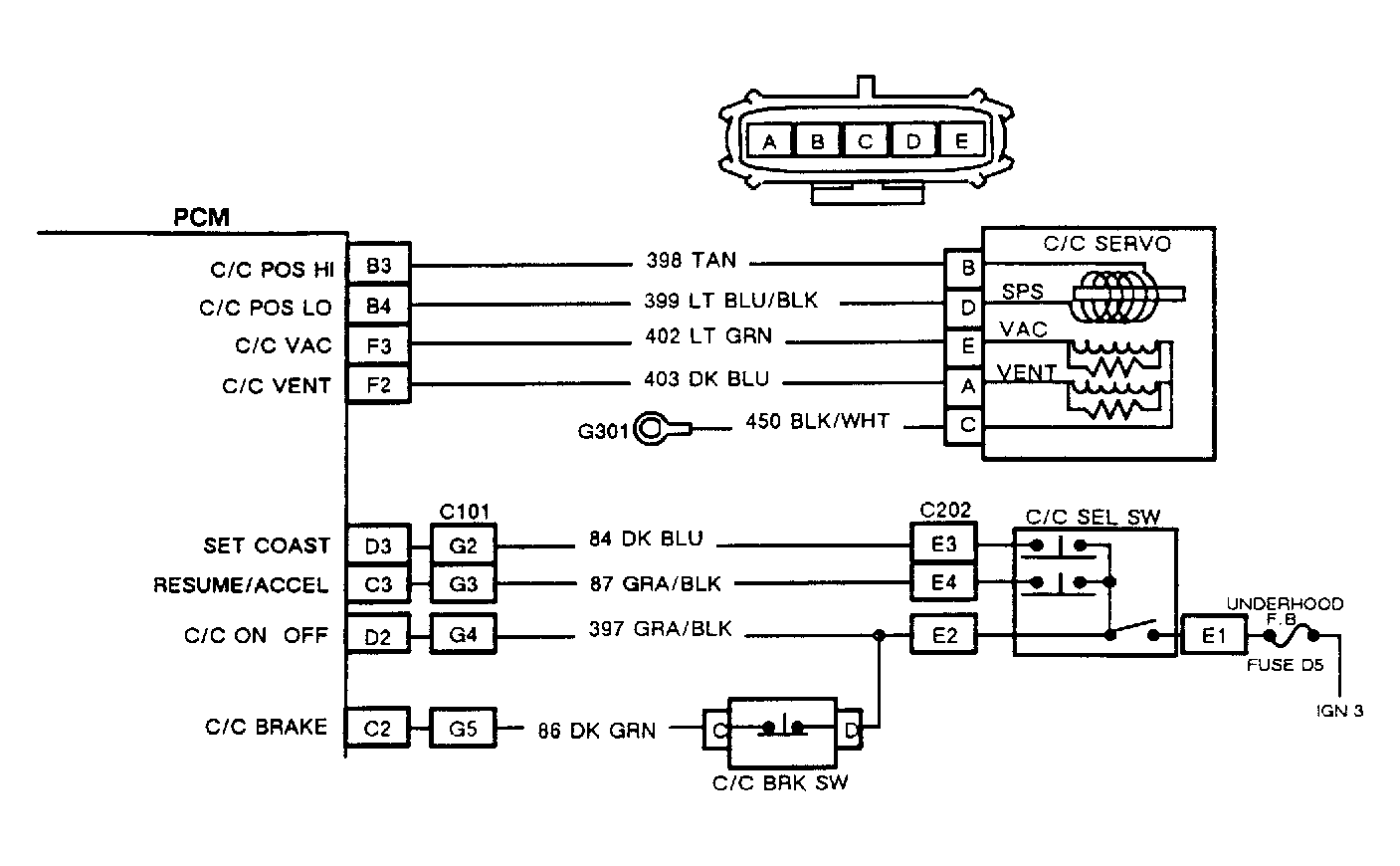
This test detects close of SET/COAST switch in turn signal lever at terminal D3 of PCM. Cruise switch must be ON to perform this test. Switch test EI82 should be performed before this test to ensure power to SET/COAST switch.

NOTE: Test numbers refer to test numbers on diagnostic chart.
  1. LO indicates that SET/COAST switch is open. HI indicates switch is closed.
NOTE: Figures 14-16 are Courtesy of General Motors Corp.
Fig 1: Input Test EI83 Cruise SET/COAST Switch Test Schematic (1991)
G92H04247
Fig 2: Input Test EI83 Cruise SET/COAST Switch Test Schematic (1992)
G92I13662
Fig 3: Input Test EI83 Cruise SET/COAST Switch Test Flow Chart (All)
G92D13667