LEMON Manuals: Even more car manuals for everyone: 1960-2025
Home >> Cadillac >> 1991 >> Seville Base >> Repair and Diagnosis (Single Page) >> Engine Performance >> System >> Engine Controls - Tests W/Codes >> Diagnostic Tests >> Pcm Code EO53, Distributor Signal Interrupt >> Note On Intermittents
April 5, 2026: LEMON Manuals is launched! Read the announcement.

Note On Intermittents

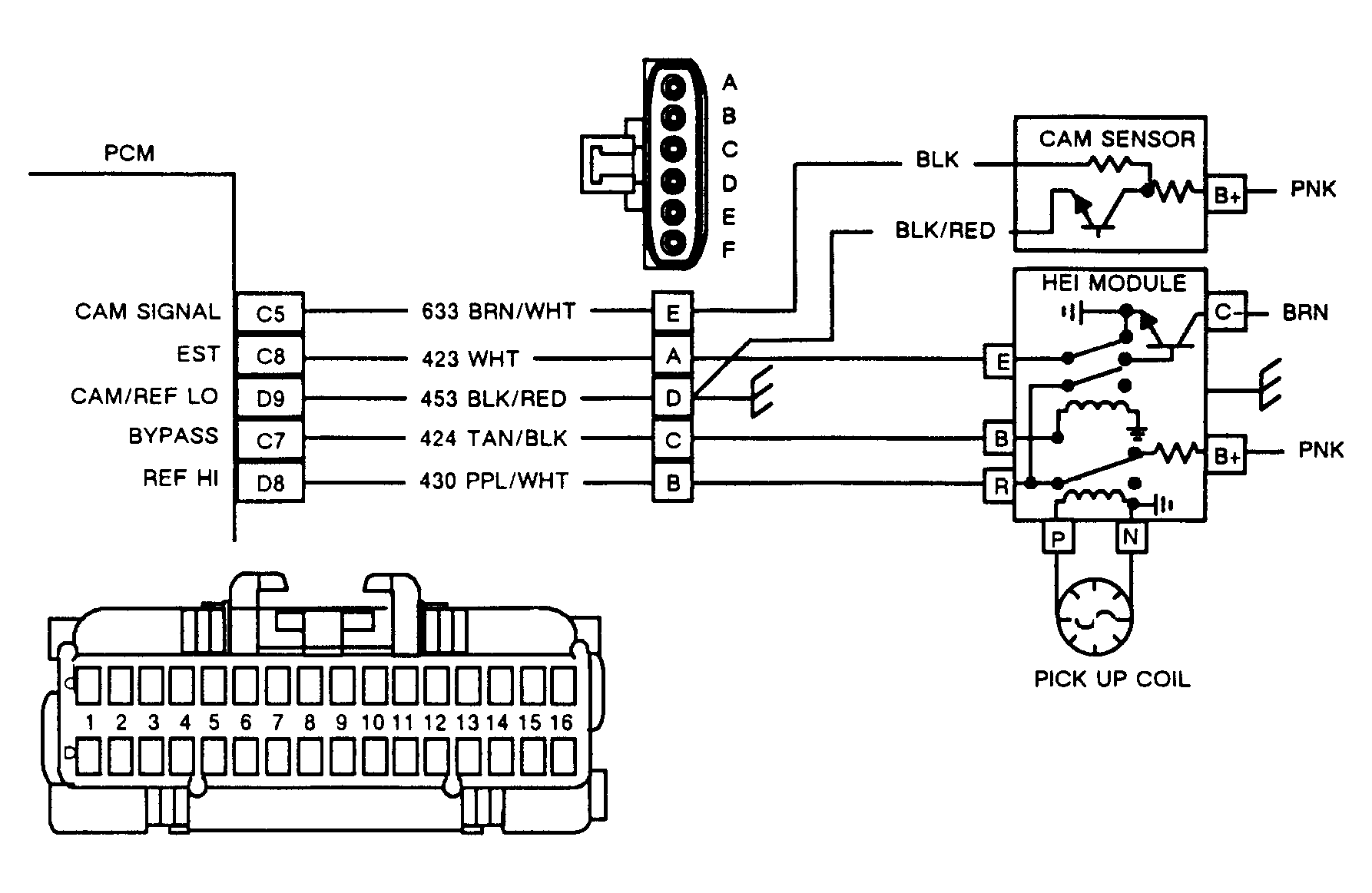
DO NOT  attempt to diagnose Code EO53 unless there are complaints of stumble, stall, miss or other driveability conditions that could be caused by loss of spark or fuel. Code EO53 can be caused by: loss of ground on circuit No. 453, loss of distributor reference signal on circuit No. 430, loss of battery power to "B+" terminal of distributor, or ignition switch circuit.

Fig 1: PCM Code EO53, Schematic, Distributor Signal Interrupt
G91H09344
Fig 2: Flow Chart, PCM Code EO53, Distributor Signal Interrupt
GB0022545