LEMON Manuals: Even more car manuals for everyone: 1960-2025
Home >> Cadillac >> 1991 >> Seville Base >> Repair and Diagnosis >> Engine Performance >> System >> Engine Controls - Tests W/Codes >> Diagnostic Tests >> BCM Code B123, Courtesy Light Switch Circuit >> Note On Intermittents
April 5, 2026: LEMON Manuals is launched! Read the announcement.

Note On Intermittents

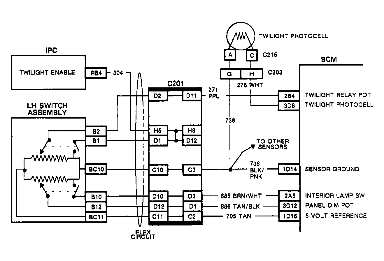
If intermittent Code B123 is being set, manipulate circuit No. 685. When BCM input B101 change-of-state indicator displays an "X", check circuit at that location intermittent fault.

Fig 1: BCM Code B123, Schematic, Courtesy Light Switch Circuit
G90A21741
Fig 2: Flow Chart, BCM Code B123, Courtesy Light Switch Circuit
GB0022577