LEMON Manuals: Even more car manuals for everyone: 1960-2025
Home >> Cadillac >> 1991 >> Seville Base >> Repair and Diagnosis >> Engine Performance >> System >> Engine Controls - Tests W/Codes >> Diagnostic Tests >> Pcm Code EO19, Shorted Fuel Pump Circuit >> Note On Intermittents
April 5, 2026: LEMON Manuals is launched! Read the announcement.

Note On Intermittents

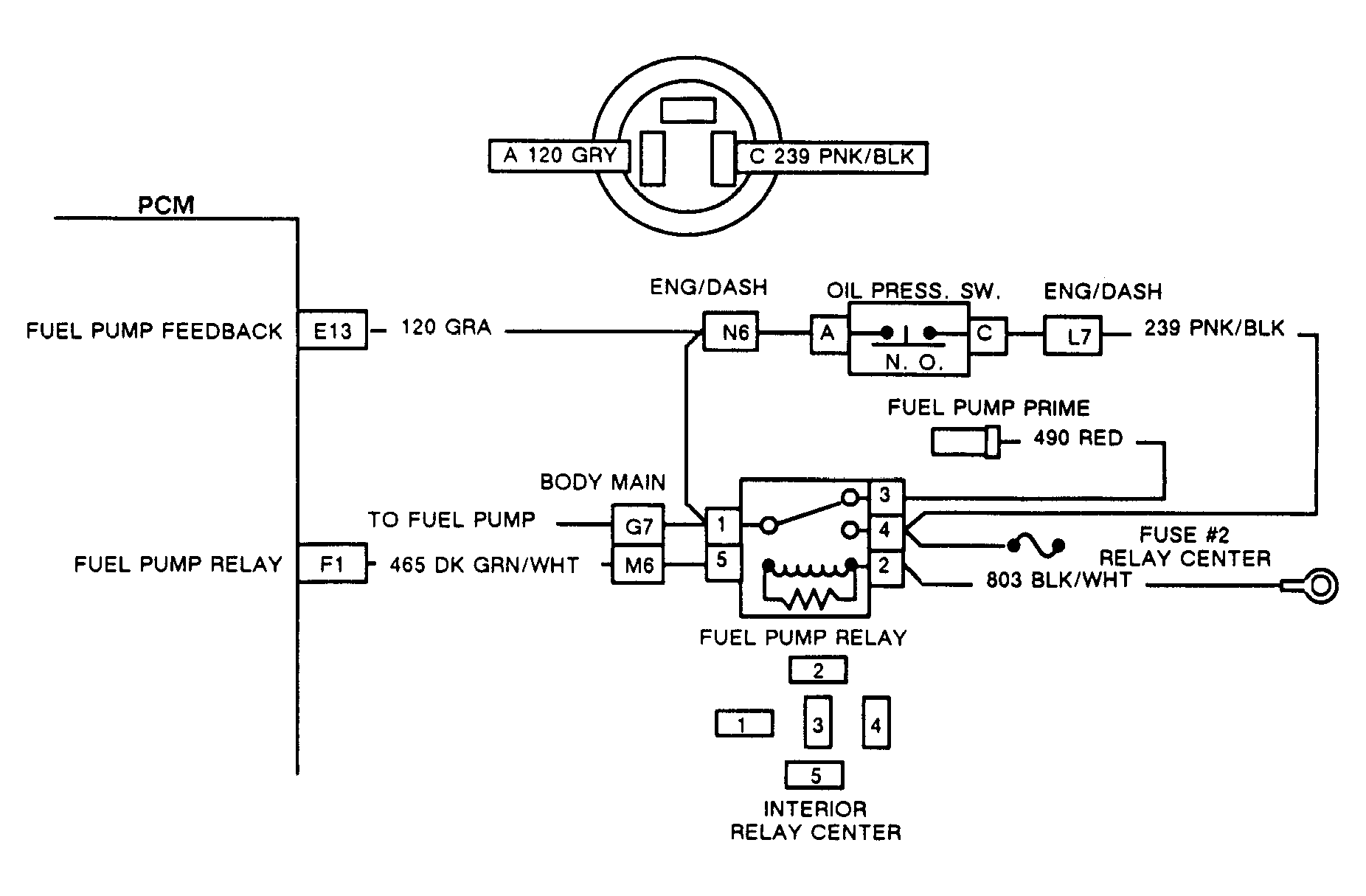
Probe fuel pump test point with a voltmeter to ground. Turn key on and observe voltmeter. Voltmeter should read battery voltage 2 seconds and then drop to zero. If voltage reading stays at battery voltage longer than 2 seconds, check sticking fuel pump relay contacts. Repeat test several times. Continue probing fuel pump test point to ground. Start engine and then turn it off. Voltage should drop immediately to zero. If not, check oil pressure switch contacts.

Fig 1: PCM Code EO19, Schematic, Shorted Fuel Pump Circuit
G91A09350
Fig 2: Flow Chart, PCM Code EO19, Shorted Fuel Pump Circuit
GB0022515