LEMON Manuals: Even more car manuals for everyone: 1960-2025
Home >> Cadillac >> 1992 >> Seville Base >> Repair and Diagnosis (Single Page) >> Engine Performance >> System >> Engine Controls - Tests W/Codes >> Pcm Code Charts >> Pcm Code E038, Open Mat Sensor Circuit >> Note On Intermittents
April 5, 2026: LEMON Manuals is launched! Read the announcement.

Note On Intermittents

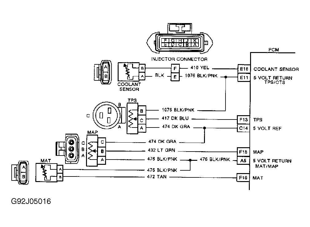
Manipulate circuits No. 472 and 476 wiring, MAT connector and PCM connector while observing PCM parameter ED05. If failure is induced, MAT will jump from its normal value to open signal circuit reading of -35°C to -40°C. If wiring and connectors are okay, substitute a known good sensor, and retest.

Fig 1: PCM Code E038, Schematic, Open MAT Sensor Circuit
G92J05016Courtesy of GENERAL MOTORS CORP.
Fig 2: PCM Code E038, Flow Chart, Open MAT Sensor Circuit
G92F05038Courtesy of GENERAL MOTORS CORP.
Fig 3: PCM Code E038
GB0011191