LEMON Manuals: Even more car manuals for everyone: 1960-2025
Home >> Cadillac >> 1992 >> Seville V8-300 4.9L >> Repair and Diagnosis >> Diagrams >> Exploded Views >> Automatic Transmission/Transaxle >> Exploded View
April 5, 2026: LEMON Manuals is launched! Read the announcement.

Exploded View

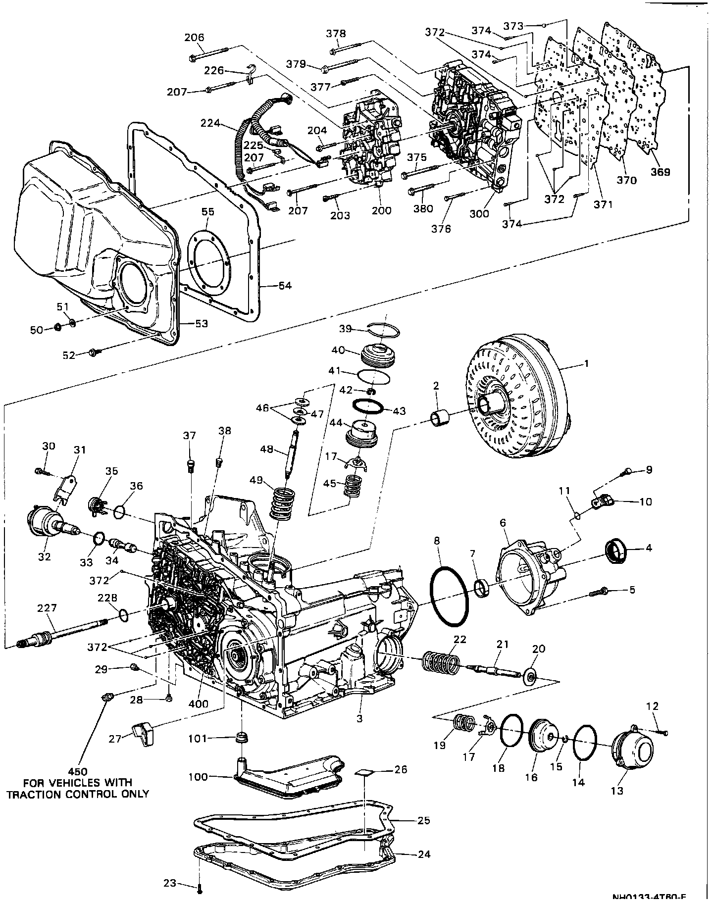
Case And Associated Parts.:



Case And Associated Parts - Legend.: