LEMON Manuals: Even more car manuals for everyone: 1960-2025
Home >> Cadillac >> 1992 >> Seville V8-300 4.9L >> Repair and Diagnosis >> Powertrain Management >> Computers and Control Systems >> Testing and Inspection >> Component Tests and General Diagnostics >> Input Switch Test Failure Diagnostic Tests >> Input EI85 - Power Steering Pressure Switch
April 5, 2026: LEMON Manuals is launched! Read the announcement.

Input EI85 - Power Steering Pressure Switch

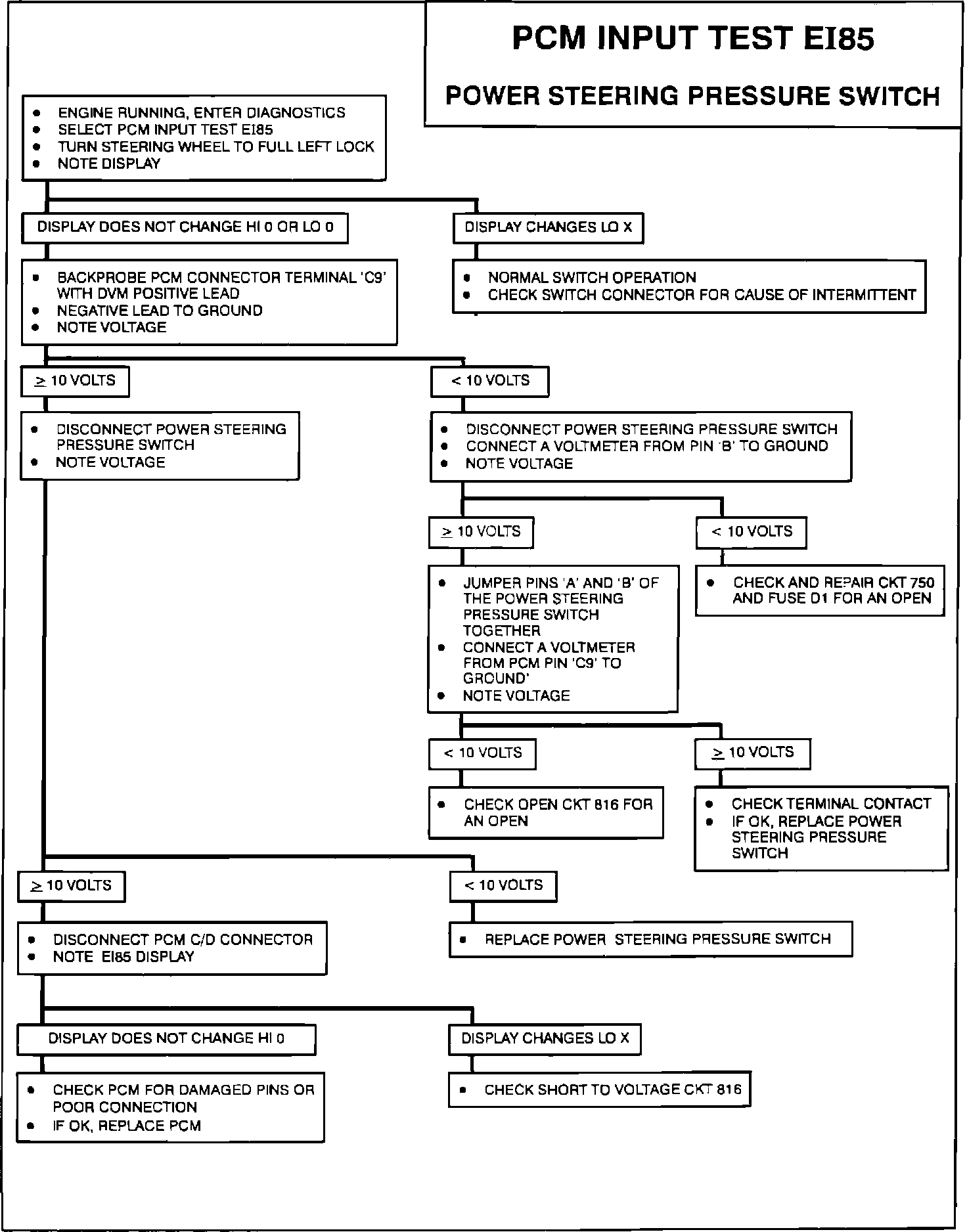
Diagnostic Chart.:




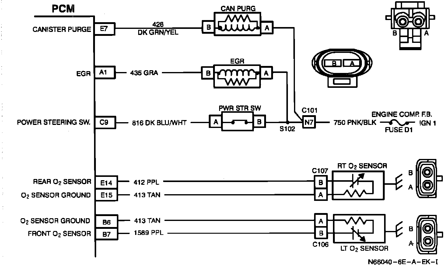
Wiring Diagram:








DISPLAY CONFIGURATION:

After the diagnostic trouble codes have been displayed, the Driver Information Center (DIC) will display "ECM?". Depress the HI blower button. The display will change to read "ECM DATA?". Depress the LO blower button. The display will change to read "ECM INPUTS?". Depress the HI blower button. The display will change to read EI70. Depress the LO blower button seven times. The display will change to read HI '0' EI85. When the steering wheel is turned the display will change to read LO 'X'. The change from '0' to 'X' indicates that the test has been successfully completed.

TEST DESCRIPTION:

This test detects the open and close of the power steering switch located on the steering gear at terminal C9 of the PCM.

NOTE: The engine must be running and the steering wheel turned to the full left or right to perform this test.