LEMON Manuals: Even more car manuals for everyone: 1960-2025
Home >> Cadillac >> 1992 >> Seville V8-300 4.9L >> Repair and Diagnosis >> Powertrain Management >> Ignition System >> Distributor >> Service and Repair >> Distributor Replacement
April 5, 2026: LEMON Manuals is launched! Read the announcement.

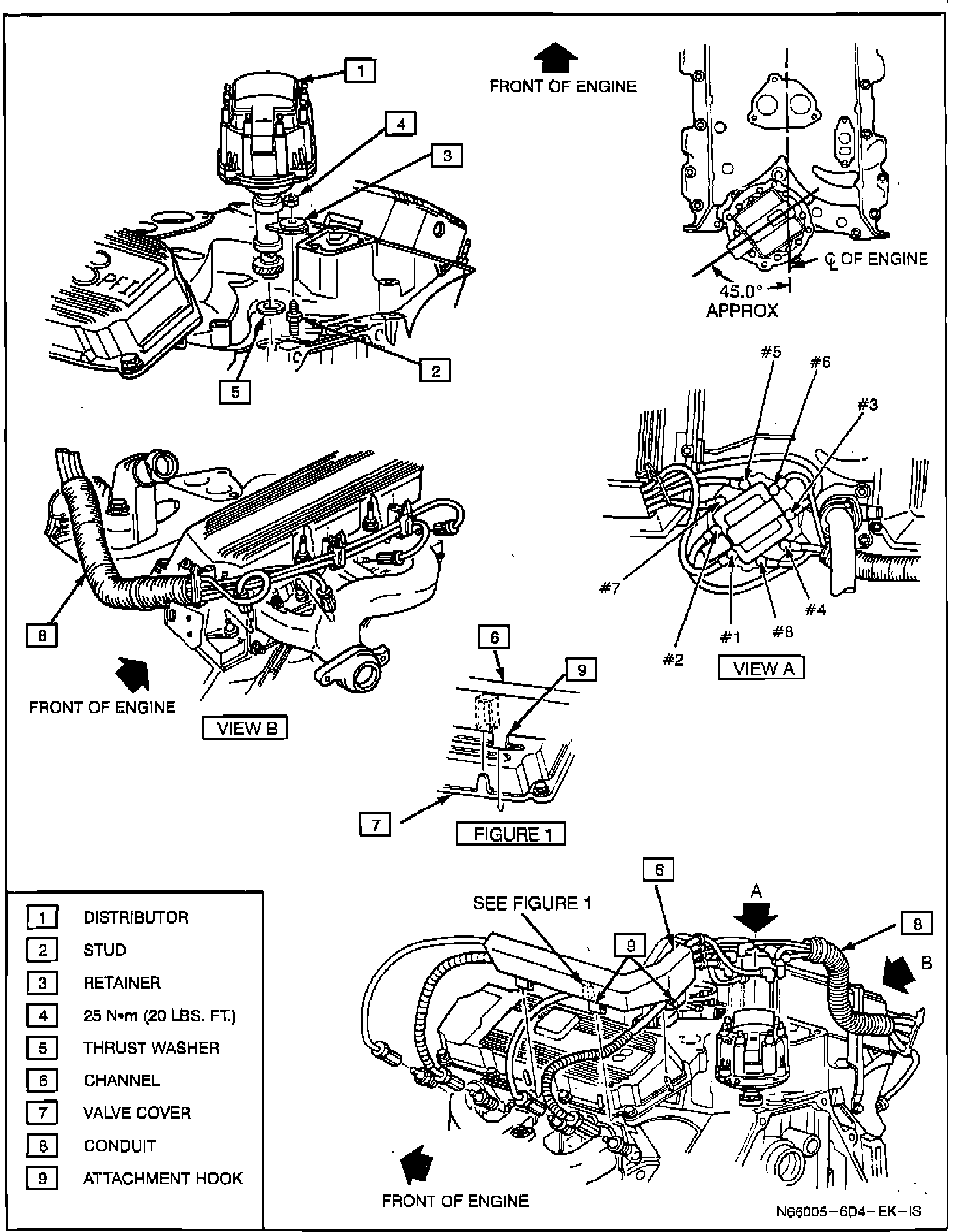
Distributor Replacement

Ignition System:






REMOVE OR DISCONNECT

1. Disconnect the ignition switch battery feed wire and tachometer lead if equipped from distributor cap. Also release the coil connectors from the cap. (DO NOT use a screwdriver or tool to release the locking tabs).
2. Remove the distributor cap by turning four latches counterclockwise. Move cap out of the way.
3. Remove the six terminal ECM harness from distributor.
4. If necessary, remove secondary wires from cap, release wiring harness latches and remove wiring harness retainer. The spark plug wire numbers are indicated on the retainer.
5. Remove the distributor clamp screw and hold-down clamp.
6. Note position of rotor, then pull distributor up until rotor just stops turning counterclockwise and again note position of rotor.
7. Remove distributor.

NOTE: To ensure correct timing of the distributor, the distributor must be installed with the rotor correctly positioned as noted. If the engine was accidentally cranked after the distributor was removed, the following procedure can be used for installing.
a. Remove the number 1 spark plug.
b. Place finger over the number 1 spark plug hole and crank engine slowly until compression is felt.
c. Align timing mark on pulley to "0" on engine timing indicator.
d. Turn rotor to point between number 1 and number 8 spark plug towers on the distributor cap.


ASSEMBLY


1. Install the distributor.
2. Install distributor hold-down clamp and distributor clamp bolt. Tighten clamp bolt to 25 N-m (20 lb. ft.).
3. Install rotor in the same position at which it was removed.
4. If removed, install the secondary wires from cap, wiring harness latches and wiring harness retainer.
5. Connect six terminal ECM harness to distributor.
6. Connect ignition feed wire.
7. Install distributor cap and spark plug wires.
8. Check engine timing.