LEMON Manuals: Even more car manuals for everyone: 1960-2025
Home >> Cadillac >> 1992 >> Seville V8-300 4.9L >> Repair and Diagnosis >> Relays and Modules >> Relays and Modules - Powertrain Management >> Relays and Modules - Computers and Control Systems >> Engine Control Module >> Locations
April 5, 2026: LEMON Manuals is launched! Read the announcement.

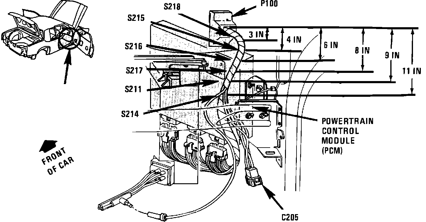
Engine Control Module: Locations

PCM Location:



RH Kick Panel: