LEMON Manuals: Even more car manuals for everyone: 1960-2025
Home >> Cadillac >> 1993 >> Allante >> Repair and Diagnosis >> Engine Performance >> System >> Engine Controls - Self-Diagnostics >> Self-Diagnostics System Check Charts >> Self-Diagnostics System Check Chart B-2: Data Circuit Open >> Description
April 5, 2026: LEMON Manuals is launched! Read the announcement.

Self-Diagnostics System Check Chart B-2: Data Circuit Open: Description

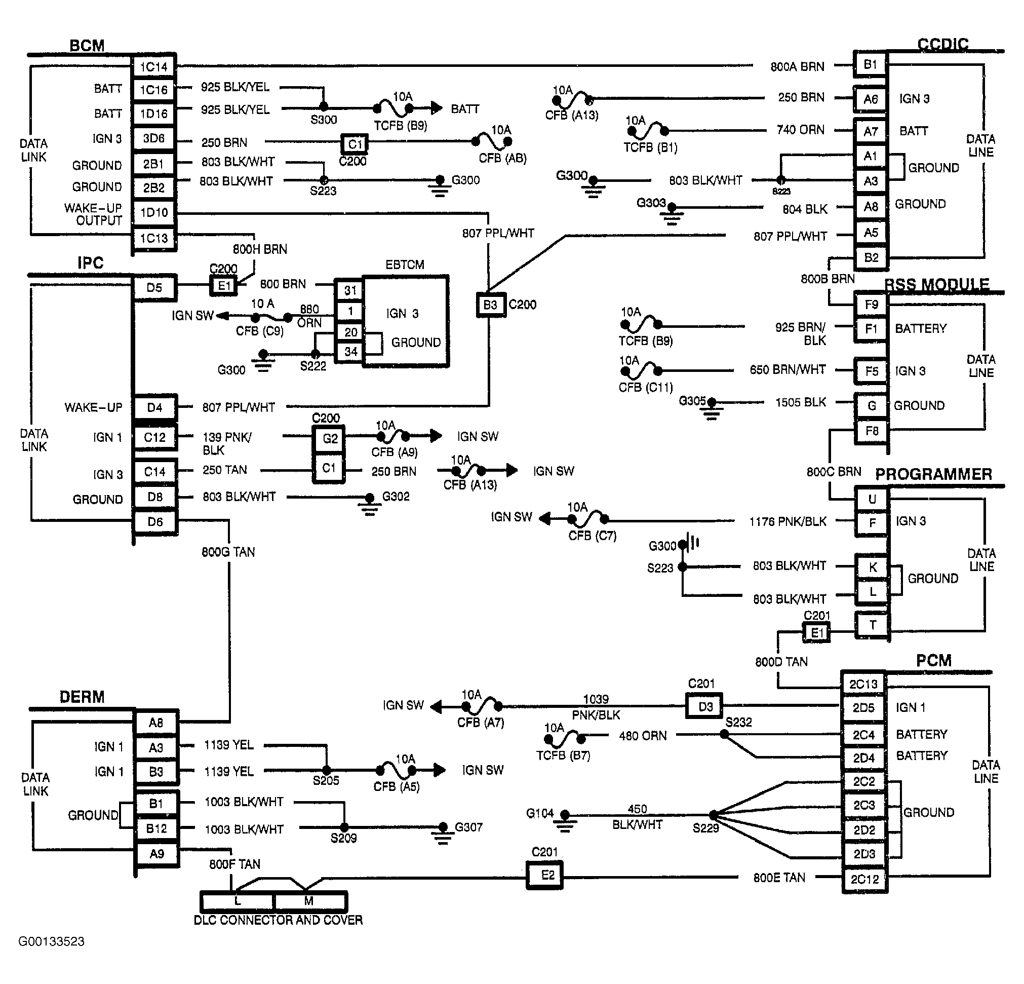
You have been directed to this chart as a result of a total loss of communication on CKT 800. The voltage was stable at 5 volts on either pin "L" or "M" of the DLC connector. This could be due to a wiring or element problem.

NOTE: Numbers in list refer to circled numbers in diagnostic flow chart, see Fig 1. For circuit identification see Figure.
  1. The voltage is stable at pin "M" so the fault lies between the BCM and CCDIC.
  2. The voltage is stable at pin "L" therefore the fault lies between the IPC and BCM.
Fig 1: Diagnostic System Check B-2: Data Circuit Open Flow Chart
G00133526Courtesy of GENERAL MOTORS CORP.