LEMON Manuals: Even more car manuals for everyone: 1960-2025
Home >> Cadillac >> 1993 >> Seville V8-281 4.6L >> Repair and Diagnosis >> Powertrain Management >> Computers and Control Systems >> Engine Control Module >> Locations
April 5, 2026: LEMON Manuals is launched! Read the announcement.

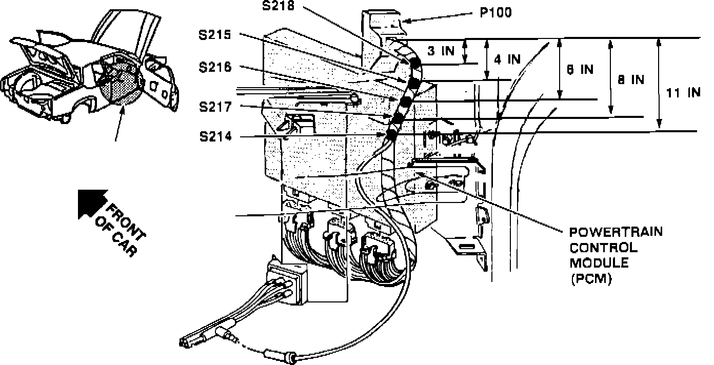
Engine Control Module: Locations

Pictorial View:






Behind right hand side of instrument panel at the top of the kick panel.