LEMON Manuals: Even more car manuals for everyone: 1960-2025
Home >> Cadillac >> 1993 >> Sixty Special >> Repair and Diagnosis >> Engine Performance >> System >> Engine Controls - Tests W/Codes - Pcm/BCM >> Pcm Trouble Code Diagnosis >> Pcm Code E53 - Distributor Signal Interrupt >> Note On Intermittents
April 5, 2026: LEMON Manuals is launched! Read the announcement.

Note On Intermittents

DO NOT  attempt to diagnose Code E53 unless driver complains of stumble, stall, miss or other driveability conditions which could be caused by loss of spark or fuel. Code E53 can be caused by:

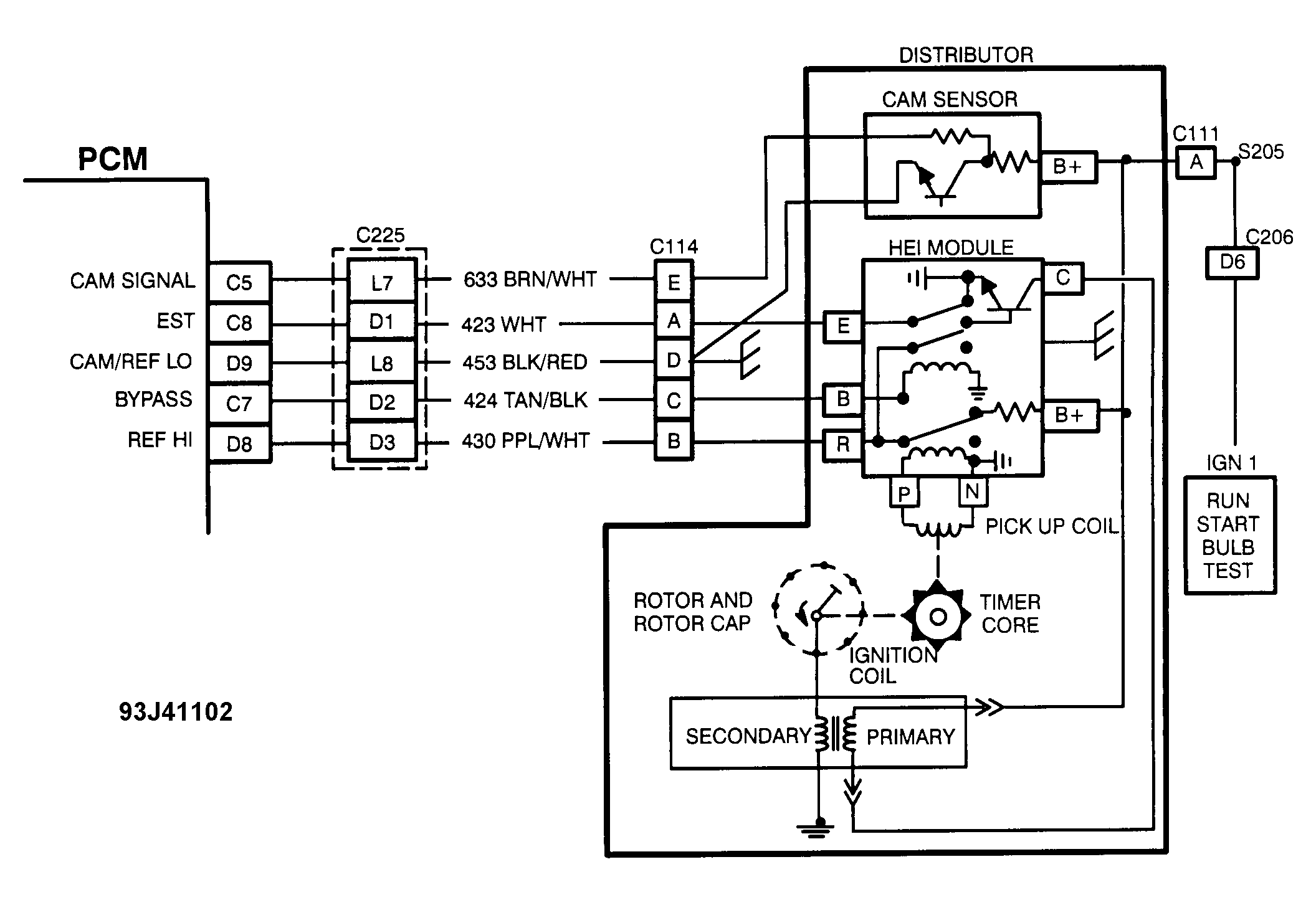
Fig 1: PCM Code E53 Schematic - Distributor Signal Interrupt
G93J41102Courtesy of GENERAL MOTORS CORP.
Fig 2: PCM Code E53 Flow Chart - Distributor Signal Interrupt
G90I14777Courtesy of GENERAL MOTORS CORP.