LEMON Manuals: Even more car manuals for everyone: 1960-2025
Home >> Cadillac >> 1993 >> Sixty Special >> Repair and Diagnosis >> Engine Performance >> System >> Engine Controls - Tests W/Codes - Pcm/BCM >> Pcm Trouble Code Diagnosis >> Pcm Code E71 - Intermittent Map Sensor >> Note On Intermittent
April 5, 2026: LEMON Manuals is launched! Read the announcement.

Note On Intermittent

Check terminal crimp to wire and ensure terminals are properly seated in connectors.

5-volt reference can be tested by connecting jumpers between harness connector and MAP sensor terminal. Connect DVOM positive lead to jumper "C" and negative lead to jumper "A". Turn ignition on and apply vacuum to sensor. Tap lightly on sensor. Voltage reading should remain 4.6-5.1 volts.

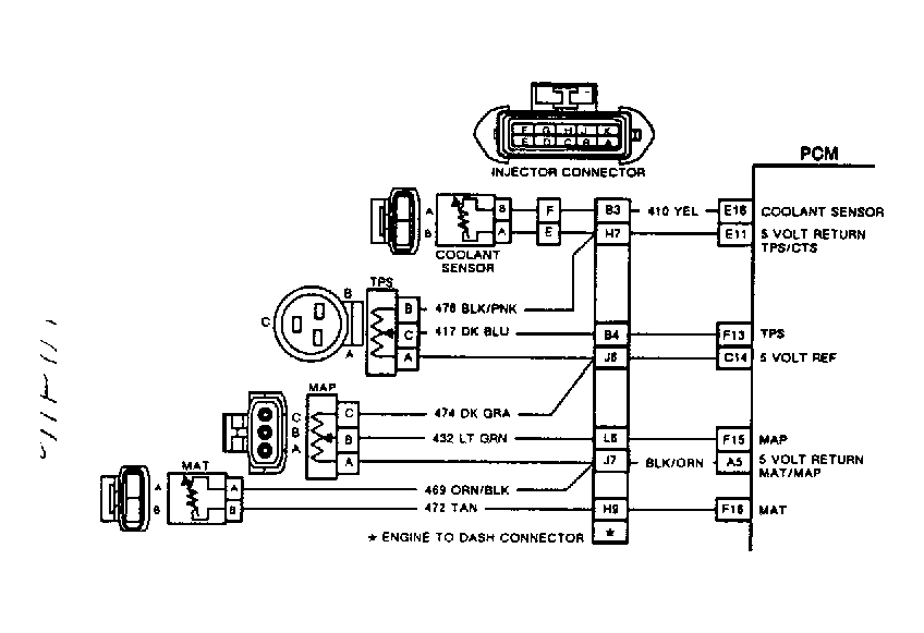
Fig 1: PCM Code E71 Schematic - Intermittent MAP Sensor
G91F07688Courtesy of GENERAL MOTORS CORP.
Fig 2: PCM Code E71 Specification Chart - Intermittent MAP Sensor
G91I07736Courtesy of GENERAL MOTORS CORP.
Fig 3: PCM Code E71 Flow Chart - Intermittent MAP Sensor
G91J07727Courtesy of GENERAL MOTORS CORP.