LEMON Manuals: Even more car manuals for everyone: 1960-2025
Home >> Cadillac >> 1994 >> Eldorado Base >> Repair and Diagnosis (Single Page) >> Engine Performance >> System >> Engine Controls - Tests W/Codes - 4.6L >> Pcm Code Charts >> Code P110, Alternator "L" Terminal Circuit Problem >> Notes On Intermittents
April 5, 2026: LEMON Manuals is launched! Read the announcement.

Notes On Intermittents

A loose or faulty connection at alternator "L" terminal may cause Code P110 to set intermittently.

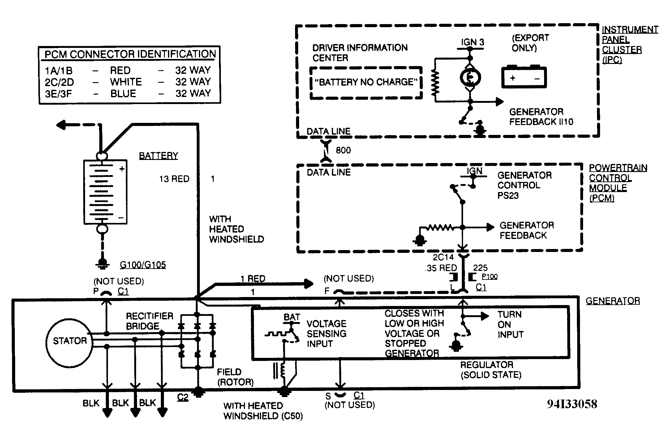
Fig 1: Code P110 Schematic (4.6L)
G94I33058Courtesy of GENERAL MOTORS CORP.
Fig 2: Code P110 Flow Chart (4.6L)
G94J33059Courtesy of GENERAL MOTORS CORP.