LEMON Manuals: Even more car manuals for everyone: 1960-2025
Home >> Cadillac >> 1994 >> Fleetwood Base >> Repair and Diagnosis >> Engine Performance >> System >> Engine Controls - Tests W/Codes >> ECM/Pcm Code Charts >> Code 55, Fuel Lean Monitor >> Diagnostic Aids
April 5, 2026: LEMON Manuals is launched! Read the announcement.

Diagnostic Aids

A plugged fuel filter or restricted fuel line can prevent adequate fuel from being supplied during power enrichment. Vapor lock can also cause Code 55.

Fig 1: Code 55 Schematic (Fleetwood) Fuel Lean Monitor
G94G35135
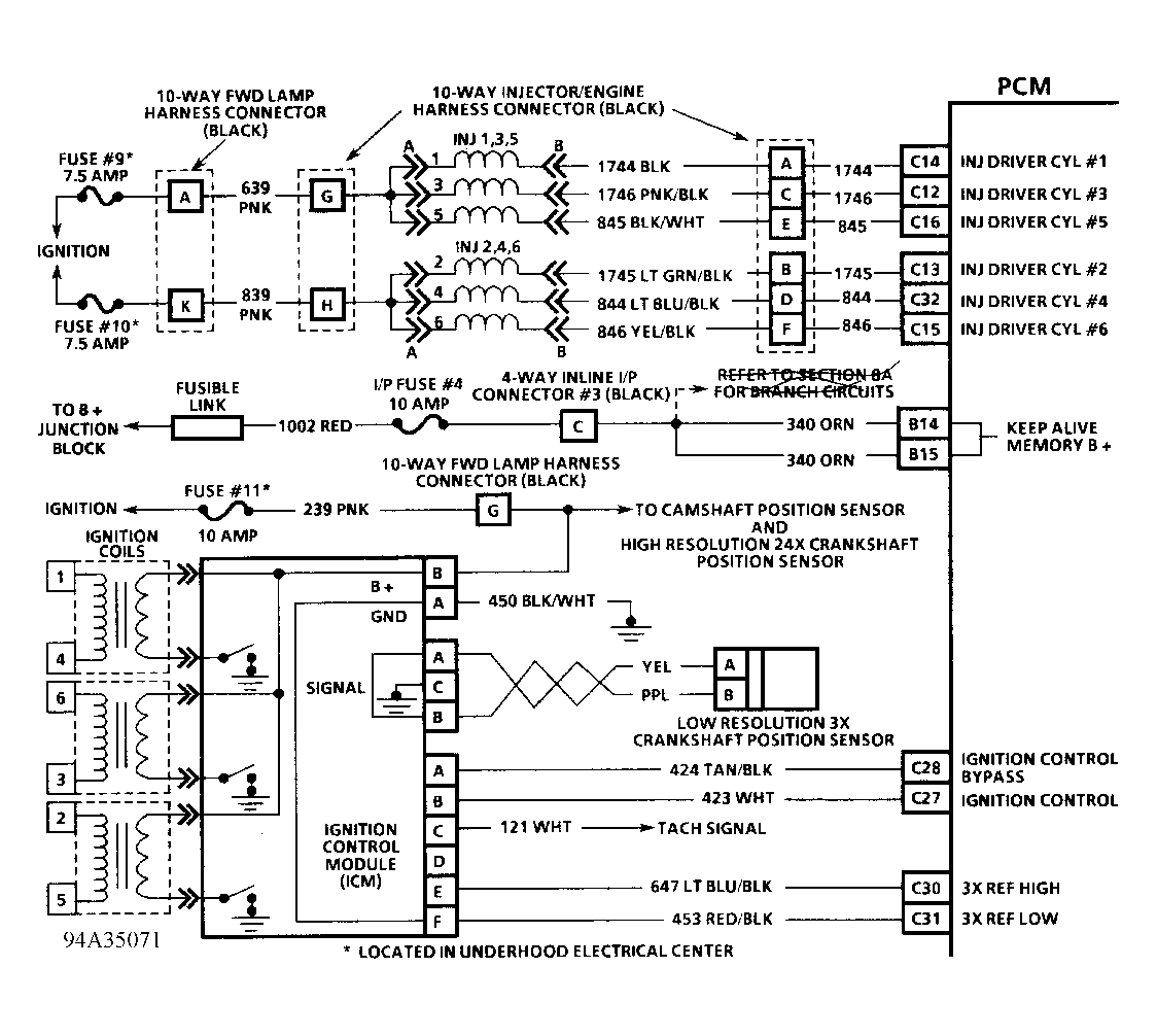
Fig 2: Code 55 Flow Chart (Fleetwood) Fuel Lean Monitor
G94A35071
Fig 3: Code 55 Flow Chart
GB0013243