LEMON Manuals: Even more car manuals for everyone: 1960-2025
Home >> Cadillac >> 1994 >> Fleetwood Base >> Repair and Diagnosis >> Engine Performance >> System >> Engine Controls - Tests W/Codes >> ECM/Pcm Code Charts >> Code 59, Transmission Temperature Sensor Low Temperature >> Diagnostic Aids
April 5, 2026: LEMON Manuals is launched! Read the announcement.

Diagnostic Aids

Temperature should rise steadily to approximately 212 °F (90°C) then stabilize. A faulty connection or an open in ground or signal circuit can result in Code 59. A skewed sensor could result in firm shifts or TCC enabled complaints.

Use temperature-to-resistance table to check sensor at various levels to determine if sensor is out-of-calibration, which could result in firm shifts or TCC enable.

TEMPERATURE-TO-RESISTANCE VALUES (1)

Temperature °F (°C) Ohms
212 (100) 177
194 (90) 241
158 (70) 467
104 (40) 1459
68 (20) 3520
23 (-5) 12,300
14 (-10) 16,180
0 (-18) 25,000
-4 (-20) 28,680
-22 (-30) 52,700
-40 (-40) 100,700
(1) Measure resistance across sensor terminals.
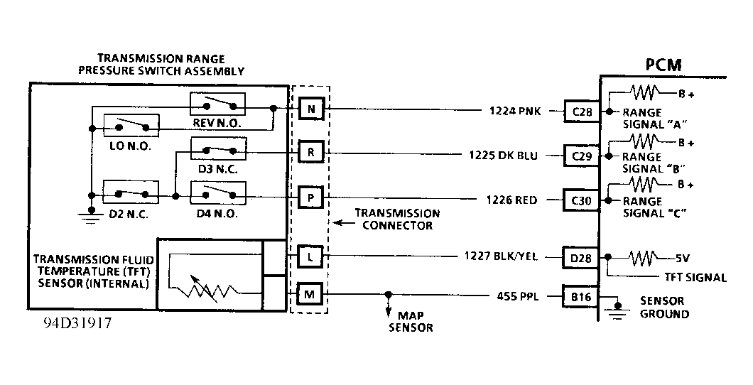
Fig 1: Code 59 Schematic (Fleetwood) Transmission Temperature Sensor Low Temperature
G94D31917
Fig 2: Code 59 Flow Chart (Fleetwood) Transmission Temperature Sensor Low Temperature
G94A31922
Fig 3: Code 59 Flow Chart
GB0013244