LEMON Manuals: Even more car manuals for everyone: 1960-2025
Home >> Cadillac >> 1994 >> Fleetwood Base >> Repair and Diagnosis >> Engine Performance >> System >> Engine Controls - Tests W/Codes >> ECM/Pcm Code Charts >> Code 80, Transmission Component Slipping >> Diagnostic Aids
April 5, 2026: LEMON Manuals is launched! Read the announcement.

Diagnostic Aids

Check for poor connections at pass-through connector. A faulty transmission range pressure switch assembly may set Code 80.

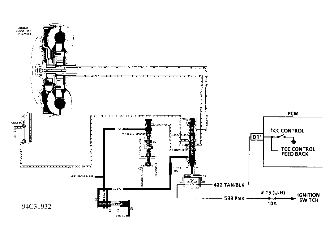
Fig 1: Code 80 Schematic (Fleetwood) Transmission Component Slipping
G94C31932
Fig 2: Code 80 Flow Chart (Fleetwood) Transmission Component Slipping
G94F31935