LEMON Manuals: Even more car manuals for everyone: 1960-2025
Home >> Cadillac >> 2000 >> Seville SLS >> Repair and Diagnosis >> External Pages >> Different car >> Section 218 (Cruise Control System) >> Repair Instructions >> Cruise Control Module Replacement >> Installation Procedure
April 5, 2026: LEMON Manuals is launched! Read the announcement.

Installation Procedure

WARNING: This page is about a different car, the 2002 Cadillac Eldorado. However, it is still accessible from the selected car via links, so may be relevant.
Fig 1: Cruise Control Module & Mounting Bracket
G01665330Courtesy of GENERAL MOTORS CORP.
  1. Install the cruise control module (1) to the mounting bracket (2).
    NOTE: Refer to FASTENER NOTICE in Cautions and Notices.
  2. Install the fasteners (3) to the cruise control module.

    Tighten 

    Tighten the fasteners to 7.5 N.m (66 lb in).

  3. Install the cruise control module assembly (3) on the upper left strut tower.
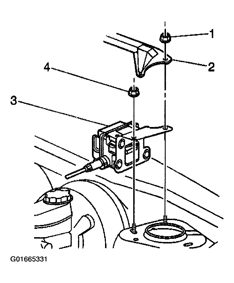
    Fig 2: Cruise Control Module Assembly
    G01665331Courtesy of GENERAL MOTORS CORP.
  4. Install the nut (4) to the stud.
  5. Install the cross car brace (2). Refer to BRACE REPLACEMENT - CROSS VEHICLE in Body Front End.
  6. Connect the electrical connector to the cruise control module assembly (1).
    Fig 3: Cruise Control Cable & Module
    G01665332Courtesy of GENERAL MOTORS CORP.

    Important:  The cruise control cable does not require mechanical adjusting after the replacement. The cruise control module internally adjusts the cable. Refer to Cruise Control Description and Operation  for the complete operational details.

  7. Connect the cruise control cable to the following locations, and refer to Cruise Control Cable Replacement :