LEMON Manuals: Even more car manuals for everyone: 1960-2025
Home >> Cadillac >> 2000 >> Seville SLS >> Repair and Diagnosis >> Quick Lookups >> Electrical Component Locations >> Electrical Component Locator >> Control Units
April 5, 2026: LEMON Manuals is launched! Read the announcement.

Control Units

CONTROL UNITS

Component Component Location
Adaptive Lumbar Module (Right/Left) In respective front seat back.
Automatic Level Control Module Under rear of vehicle, near rear suspension carrier.
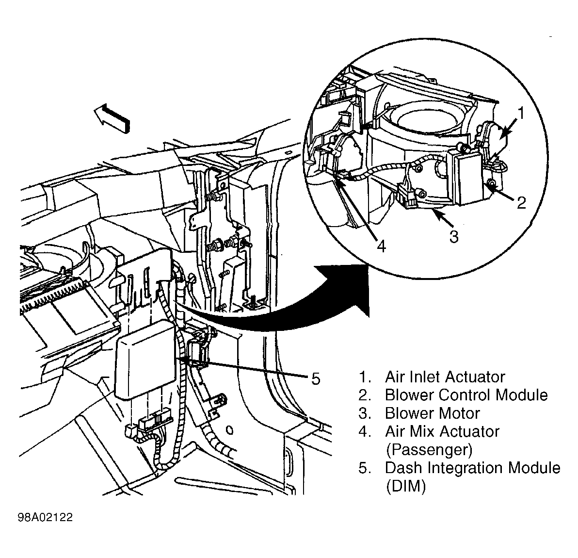
Blower Control Module Under right side of dash, near center heater outlets. See Figure .
Cellular Telephone Module At front of rear compartment.
Continuously Variable Road Sensing Suspension (CVRSS) Module Behind right rear seat back. See Figure .
Cruise Control Module On center rear of engine compartment, near power brake booster. See Figure .
Dash Integration Module (DIM) On right side of dash, near blower motor. See Figure .
Door Module (Left Front) (LFDM) In front of left front door, near radio speaker.
Door Module (Right Front) (RFDM) In front of right front door, near radio speaker.
Door Module (Left Rear) (LRDM) In front of left rear door, near radio speaker.
Door Module (Right Rear) (RRDM) In front of right rear door, near radio speaker.
Electronic Brake Control Module (EBCM) On left front corner of engine compartment, below air cleaner housing. See Figure .
Front Heated Seat Module (Right/Left) Under respective front seat.
Ignition Control Module (ICM) At top right rear of engine, on cam cover. See Figure .
Inflatable Restraint Sensing & Diagnostic Module (SDM) Under right front seat.
Inflatable Restraint Side Impact Sensing Module (SISM) (Left) On base of left "B" pillar, behind trim panel.
Inflatable Restraint Side Impact Sensing Module (SISM) (Right) On base of right "B" pillar, behind trim panel.
Instrument Panel Integration Module (IPM) Behind center of dash, above radio.
Memory Seat Module (MSM) Under left front seat.
Navigation Data Processor Under center of rear package shelf.
PASS Key III Reader Exciter On ignition switch.
PASS Key III Theft Deterrent Module Behind left side of dash, right of steering column.
Powertrain Control Module (PCM) At left front corner of engine compartment, below air cleaner.
Radio Antenna Module Above center rear of headliner.
Rear Blower Motor Resistor Module At front of center console, near rear blower motor.
Rear Heated Seat Module (Right/Left) In center of rear seat back.
Rear Integration Module (RIM) Behind right side of rear seat back. See Figure .
Rear Object Sensor Control Module In right side of rear compartment.
Remote Keyless Entry (RKE) Module Under rear package shelf.
Steering Column Tilt/Telescoping Module Behind left side of dash, left of steering column. See Figure .
Sun Roof Control Module Above headliner, near rear of sun roof.
Theft Deterrent Module Behind left side of dash, right of steering column.
TV Antenna Module Assembly Under right side of rear package shelf.
Variable Steering Actuator On left side of power steering rack.