LEMON Manuals: Even more car manuals for everyone: 1960-2025
Home >> Cadillac >> 2000 >> Seville STS V8-4.6L VIN 9 >> Repair and Diagnosis >> Diagrams >> Electrical Diagrams >> Powertrain Management >> Computers and Control Systems >> Body Control Module >> Dash Integration Module (DIM) >> DIM Power And Grounds
April 5, 2026: LEMON Manuals is launched! Read the announcement.

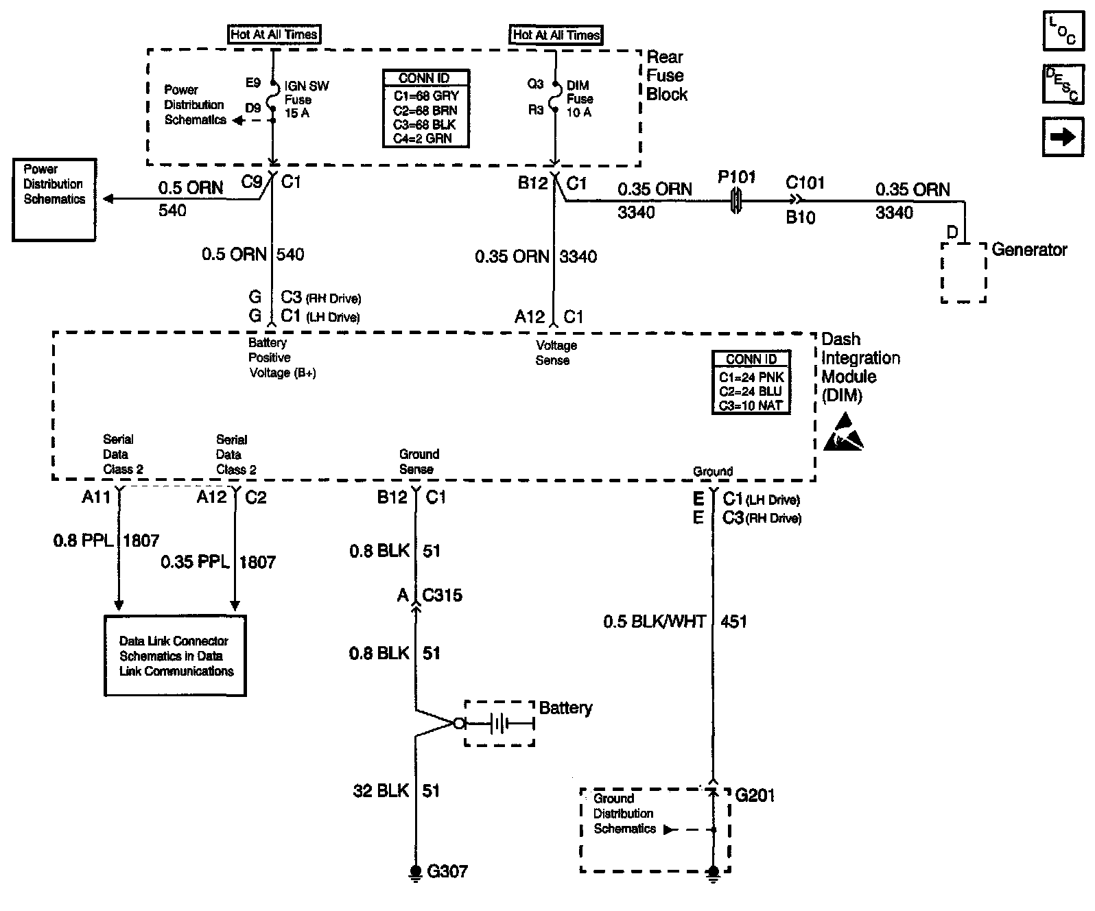
DIM Power And Grounds

Body Control Module Schematics: DIM Power And Ground: