LEMON Manuals: Even more car manuals for everyone: 1960-2025
Home >> Cadillac >> 2000 >> Seville STS V8-4.6L VIN 9 >> Repair and Diagnosis >> Powertrain Management >> Diagrams >> Electrical Diagrams >> Engine Controls >> Ignition Controls >> Ignition Control Module
April 5, 2026: LEMON Manuals is launched! Read the announcement.

Ignition Control Module

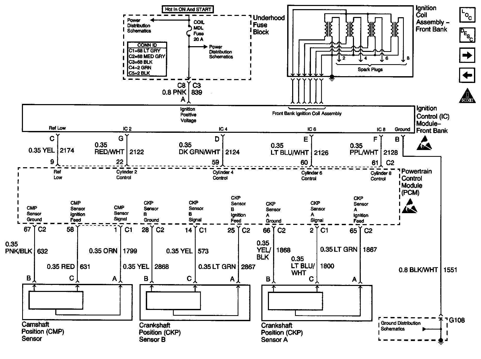
Engine Controls Schematics: Ignition Control Module- Front Bank:



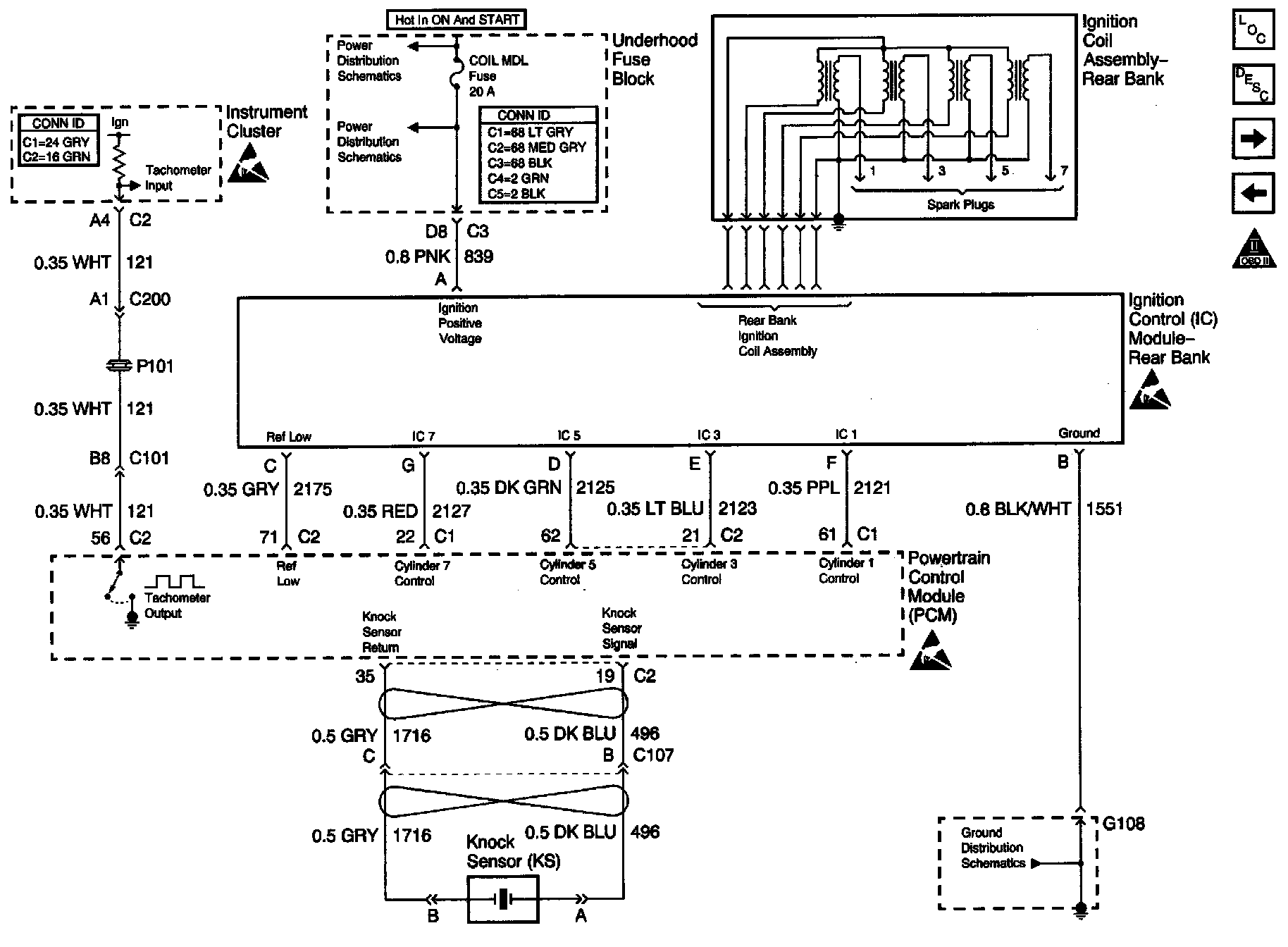
Engine Controls Schematics: Ignition Control Module- Rear Bank: