LEMON Manuals: Even more car manuals for everyone: 1960-2025
Home >> Cadillac >> 2000 >> Seville STS >> Repair and Diagnosis >> External Pages >> Different car >> Section 200 (Navigation Systems) >> Schematic and Routing Diagrams >> Navigation System Schematics (Power, Ground, Components and GPS)
April 5, 2026: LEMON Manuals is launched! Read the announcement.

Navigation System Schematics (Power, Ground, Components and GPS)

WARNING: This page is about a different car, the 2002 Cadillac Seville. However, it is still accessible from the selected car via links, so may be relevant.
Fig 1: Navigation System Schematics (Power, Ground, Components and GPS)
G01797041Courtesy of GENERAL MOTORS CORP.
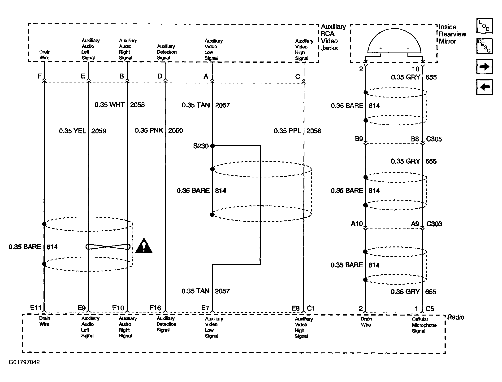
Fig 2: Navigation System Schematics (Auxiliary RCA Video Jacks and Export Microphone)
G01797042Courtesy of GENERAL MOTORS CORP.
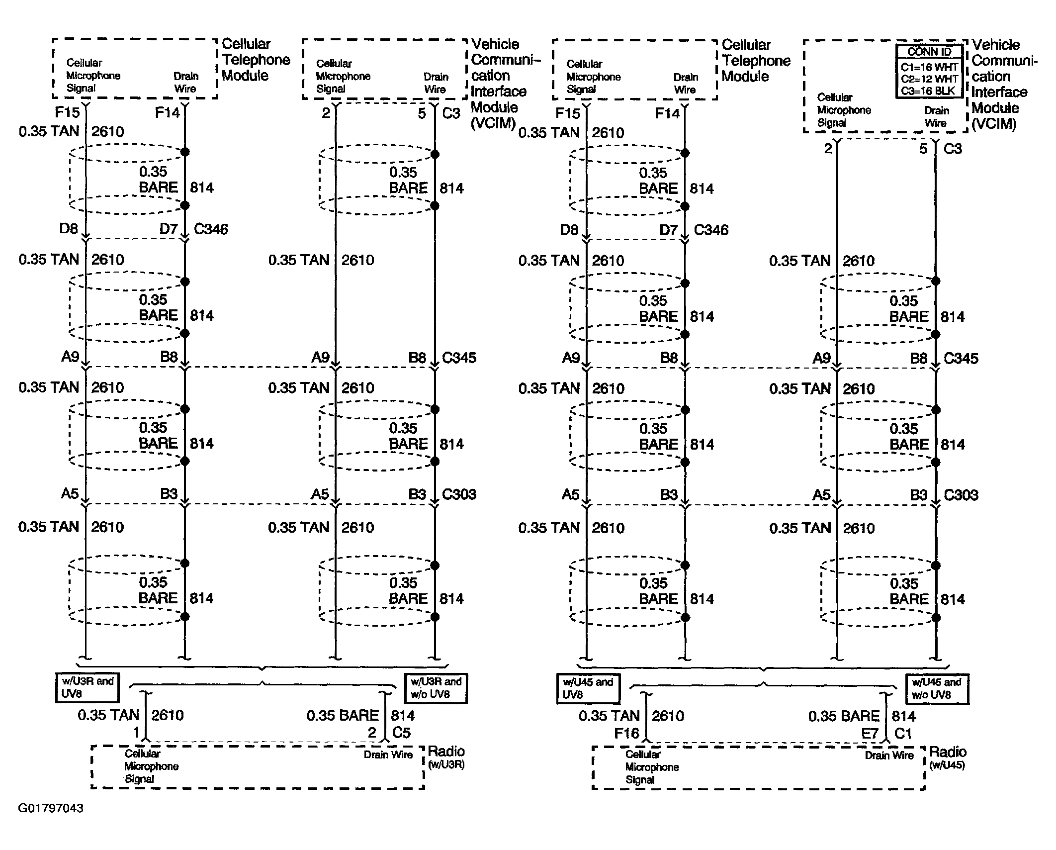
Fig 3: Navigation System Schematics (Domestic Microphone)
G01797043Courtesy of GENERAL MOTORS CORP.
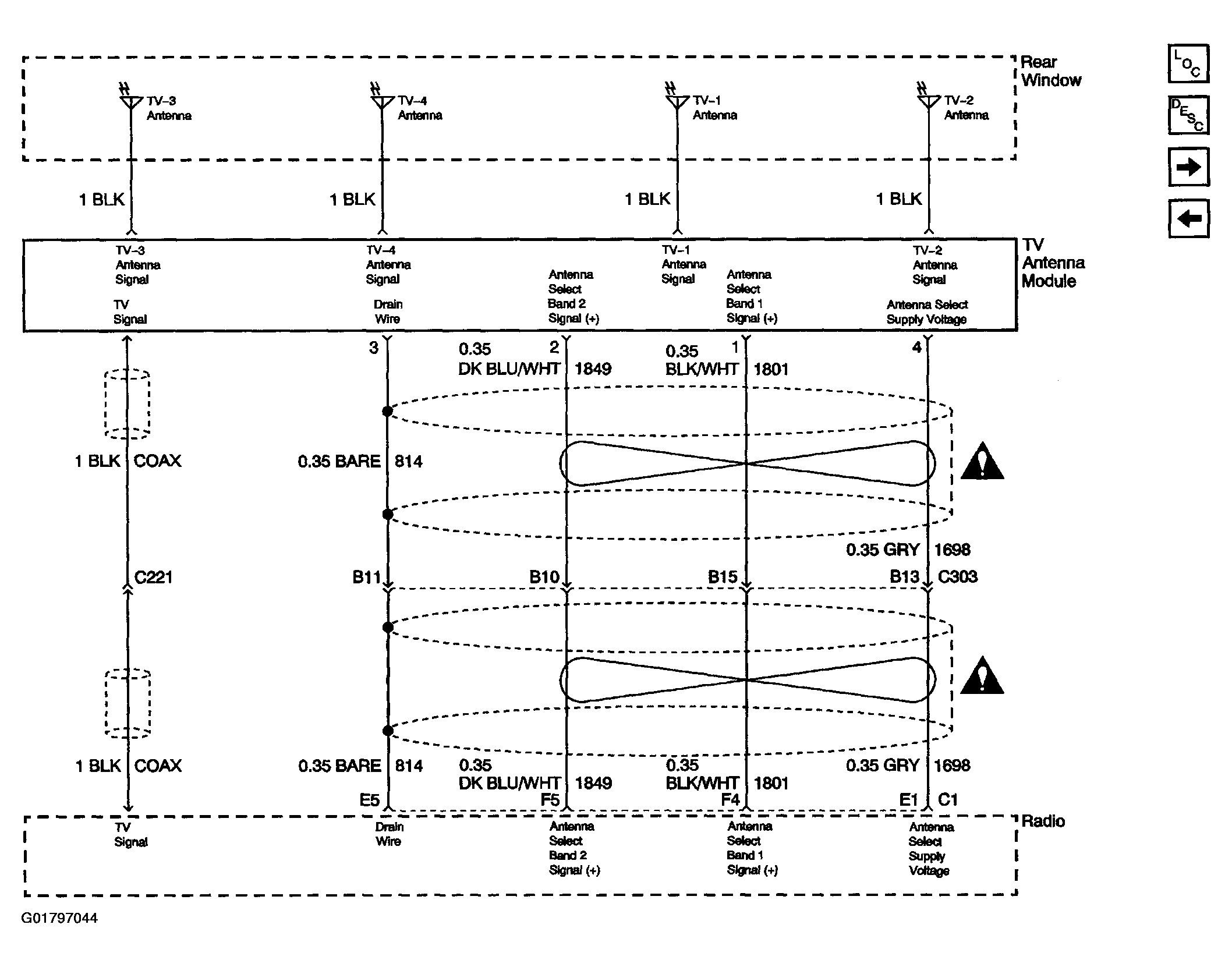
Fig 4: Navigation System Schematics (TV Antenna Module)
G01797044Courtesy of GENERAL MOTORS CORP.
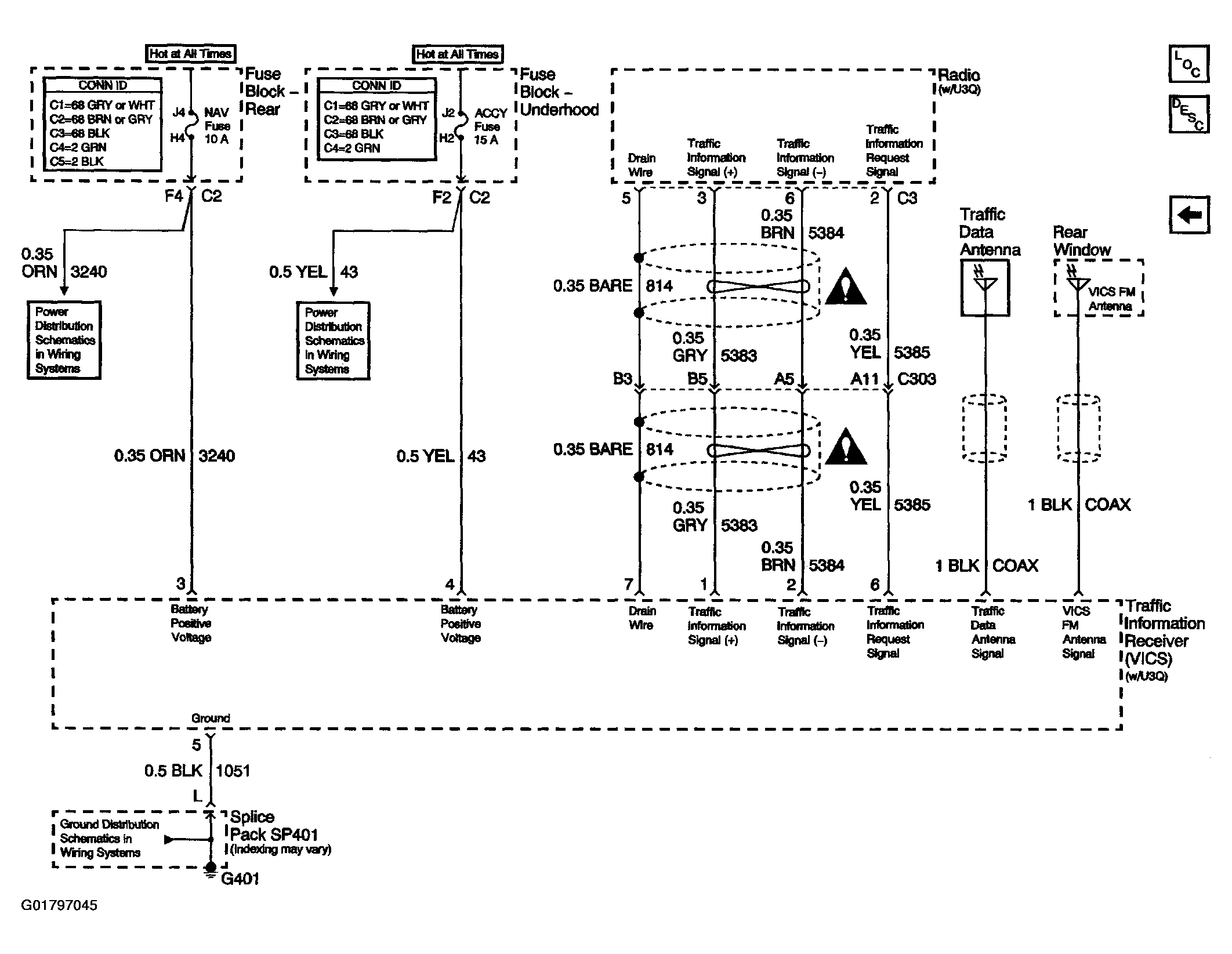
Fig 5: Navigation System Schematics (Traffic Information Receiver (VICS))
G01797045Courtesy of GENERAL MOTORS CORP.