LEMON Manuals: Even more car manuals for everyone: 1960-2025
Home >> Cadillac >> 2002 >> DeVille Base >> Repair and Diagnosis (Single Page) >> Body & Frame >> Windows >> Door System, Mirror System & Window System >> Schematic and Routing Diagrams >> Door Control Module Schematics
April 5, 2026: LEMON Manuals is launched! Read the announcement.

Door Control Module Schematics

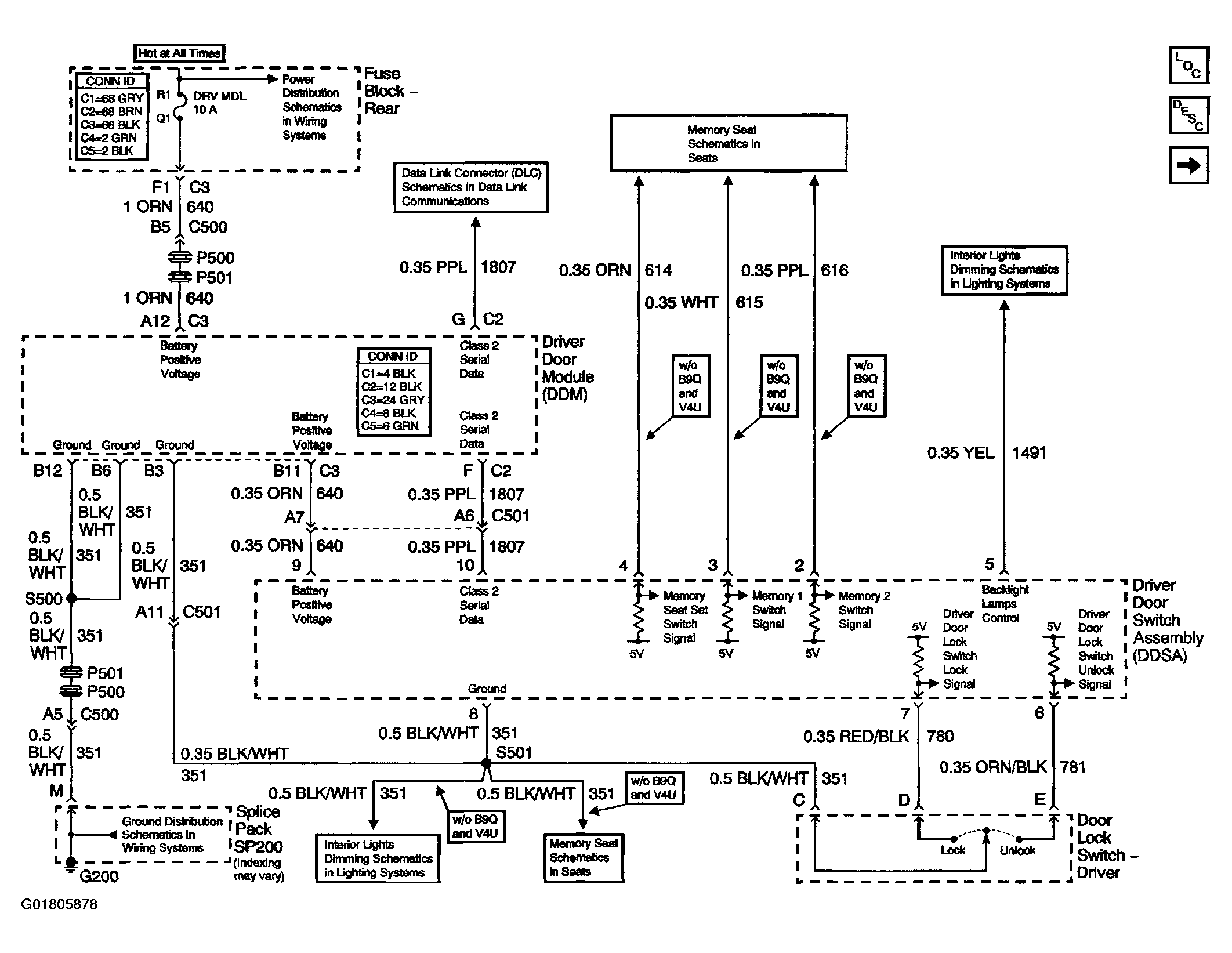
Fig 1: Door Control Module Schematics (Driver Door Switch Assembly (DDSA) Power, Ground Inputs and Outputs)
G01805878Courtesy of GENERAL MOTORS CORP.
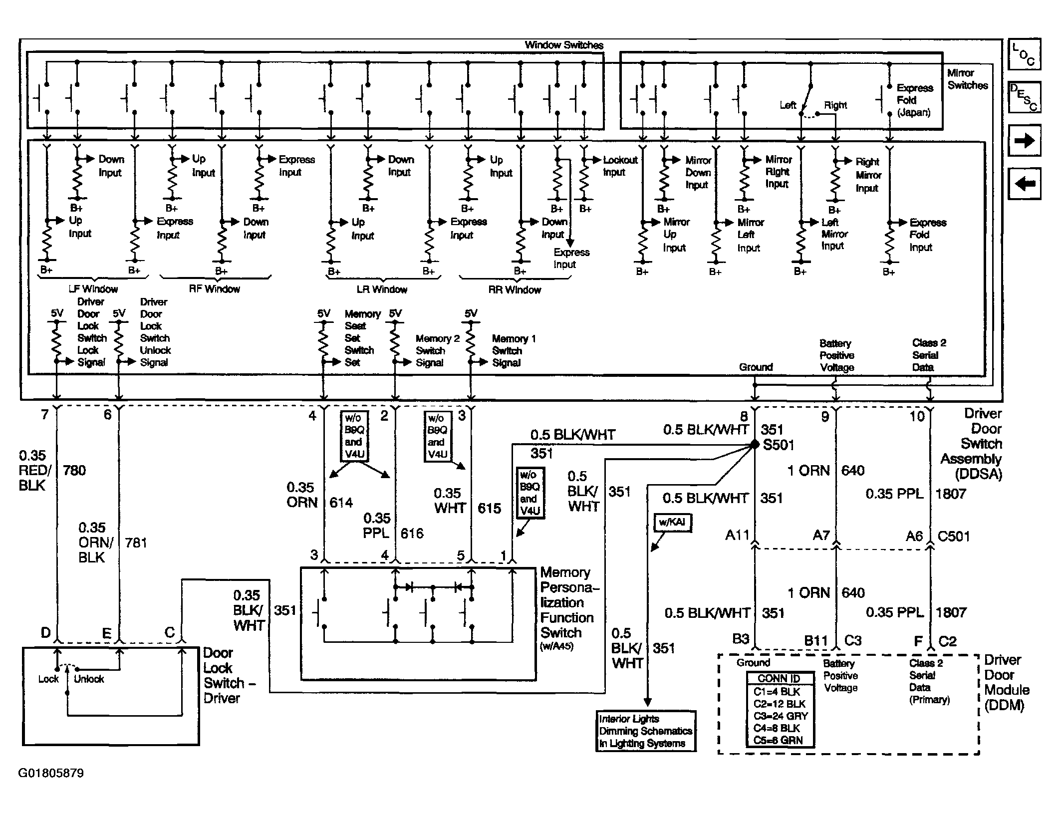
Fig 2: Door Control Module Schematics (Driver Door Switch Assembly (DDSA) Internal Details w/Memory (A45))
G01805879Courtesy of GENERAL MOTORS CORP.
Fig 3: Door Control Module Schematics (Driver Door Module (DDM) Power and Ground Input and Outputs 1 of 2)
G01805880Courtesy of GENERAL MOTORS CORP.
Fig 4: Door Control Module Schematics (Driver Door Module (DDM) Power, Ground Inputs and Outputs 2 of 2)
G01805881Courtesy of GENERAL MOTORS CORP.
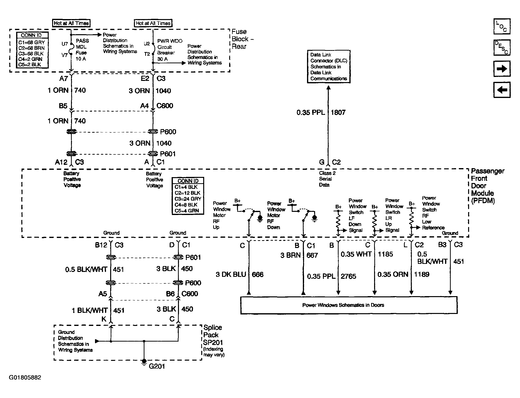
Fig 5: Door Control Module Schematics (Passenger Front Door Module (PFDM) Power, Ground Inputs and Outputs 1 of 2)
G01805882Courtesy of GENERAL MOTORS CORP.
Fig 6: Door Control Module Schematics (Passenger Front Door Module (PFDM) Power, Ground Inputs and Outputs 2 of 2)
G01805883Courtesy of GENERAL MOTORS CORP.
Fig 7: Door Control Module Schematics (Left Middle Door Module (LMDM) Power and Ground Inputs and Outputs)
G01805884Courtesy of GENERAL MOTORS CORP.
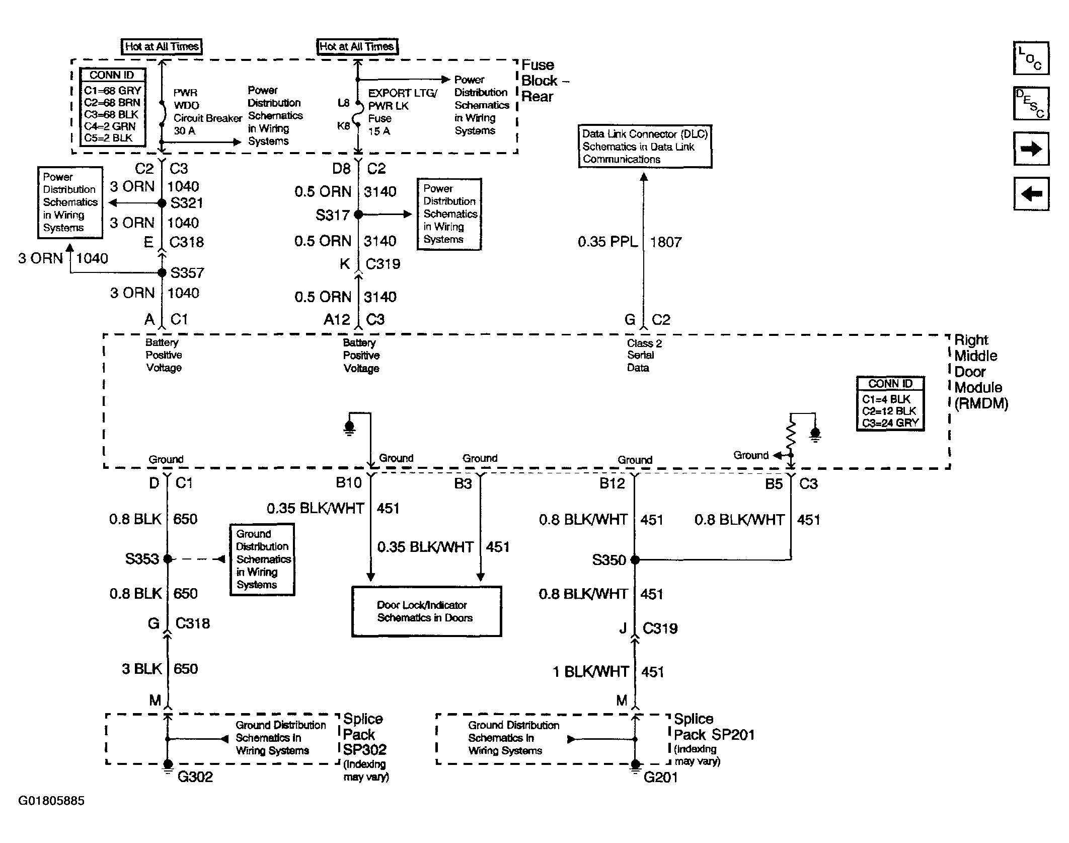
Fig 8: Door Control Module Schematics (Right Middle Door Module (RMDM) Power, Ground Inputs and Outputs)
G01805885Courtesy of GENERAL MOTORS CORP.
Fig 9: Door Control Module Schematics (Left Rear Door Module (LRDM) Power, Ground Inputs and Outputs)
G01805886Courtesy of GENERAL MOTORS CORP.
Fig 10: Door Control Module Schematics (Right Rear Door Module (RRDM) Power, Ground Inputs and Outputs)
G01805887Courtesy of GENERAL MOTORS CORP.