LEMON Manuals: Even more car manuals for everyone: 1960-2025
Home >> Cadillac >> 2002 >> Escalade EXT >> Repair and Diagnosis (Single Page) >> Accessories & Equipment >> Wiper/Washer Systems >> Wiper System & Washer System >> Schematic and Routing Diagrams >> Wiper/Washer System Schematics
April 5, 2026: LEMON Manuals is launched! Read the announcement.

Wiper/Washer System Schematics

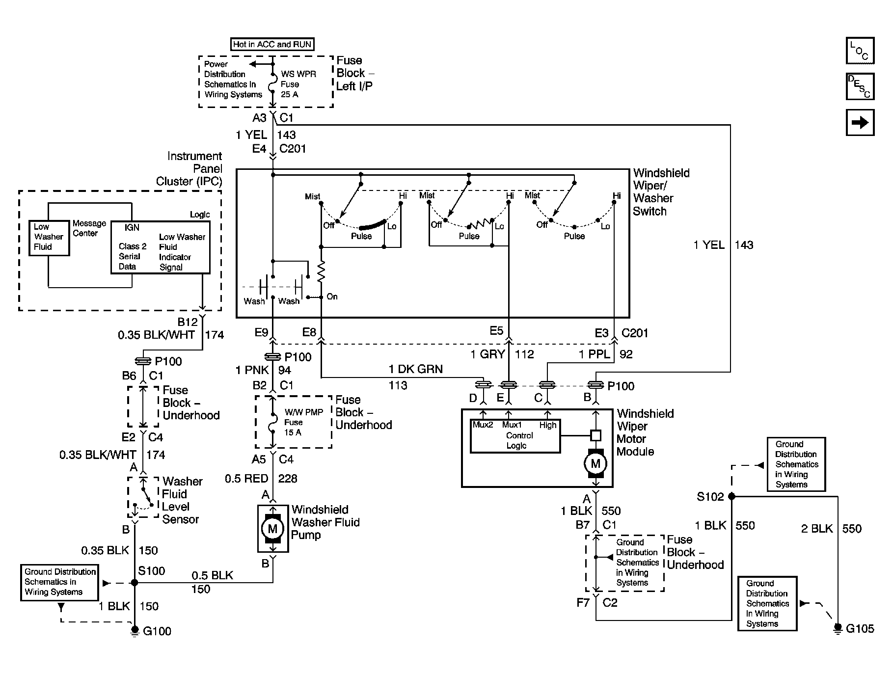
Fig 1: Wiper/Washer Control Schematic - Front
GM744980Courtesy of GENERAL MOTORS CORP.
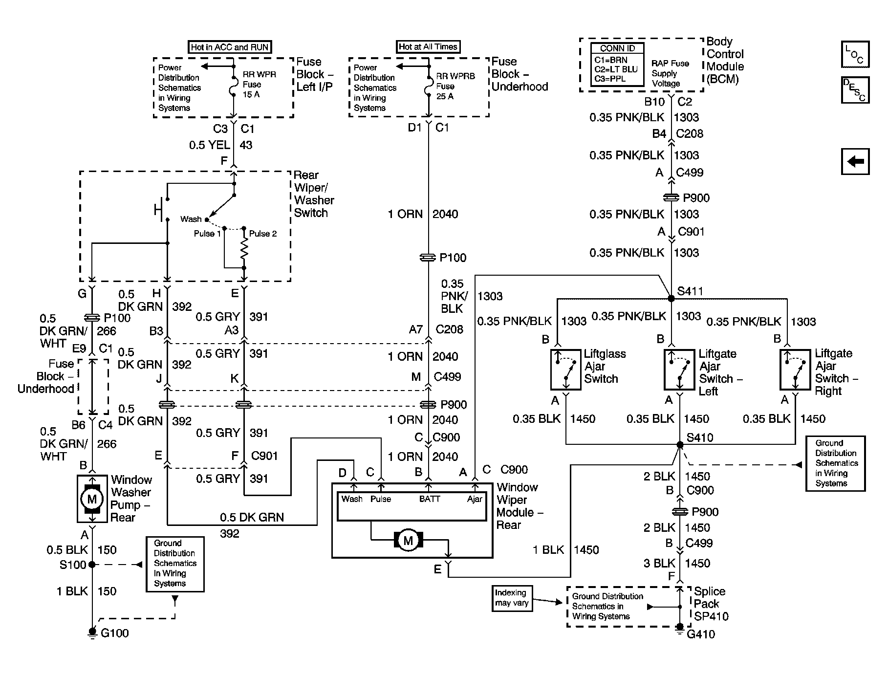
Fig 2: Wiper/Washer Control Schematic - Rear
GM744981Courtesy of GENERAL MOTORS CORP.