LEMON Manuals: Even more car manuals for everyone: 1960-2025
Home >> Cadillac >> 2002 >> Escalade EXT >> Repair and Diagnosis >> Accessories & Equipment >> Anti-Theft Systems >> Keyless Entry System >> Schematic and Routing Diagrams >> Keyless Entry Schematics
April 5, 2026: LEMON Manuals is launched! Read the announcement.

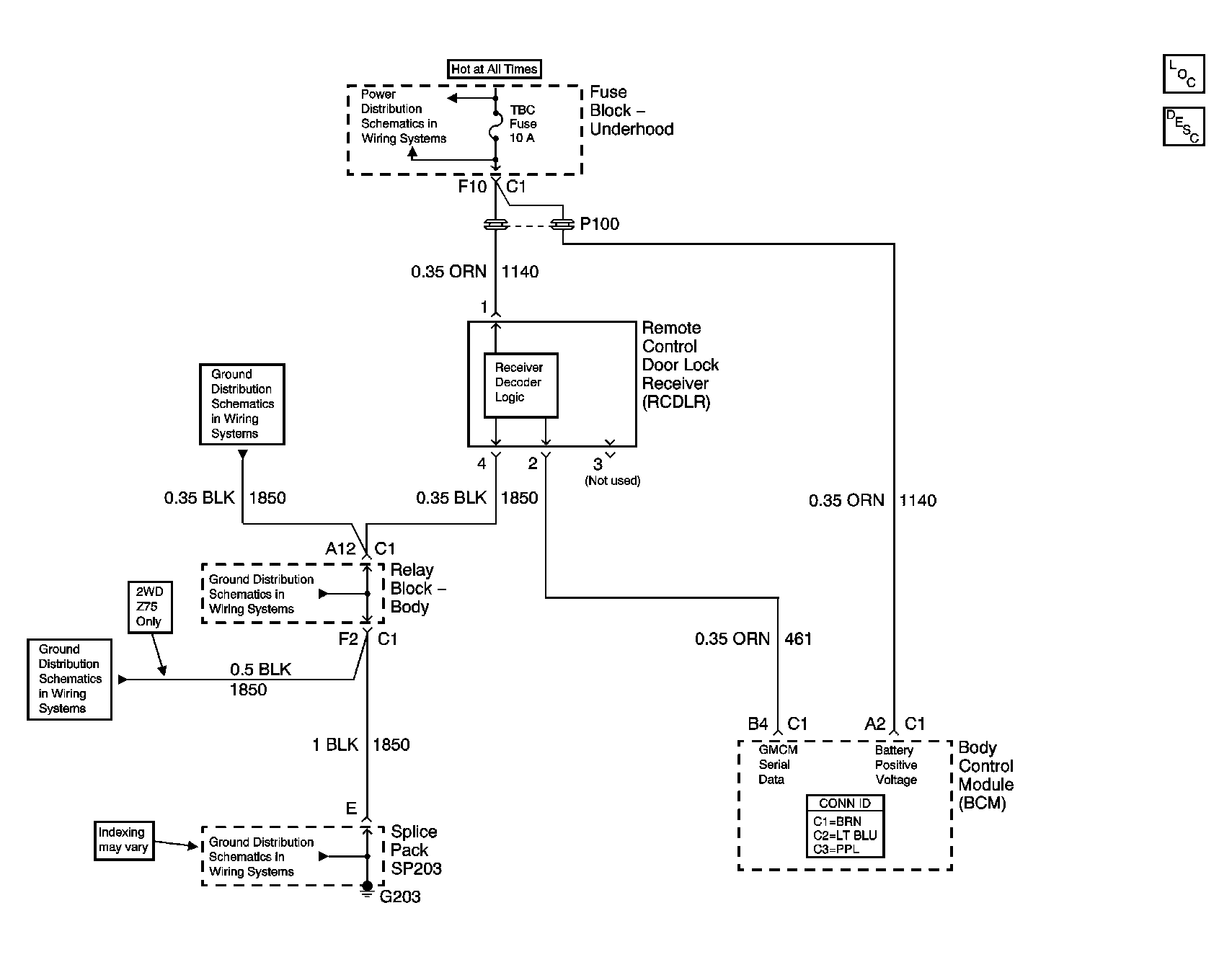
Keyless Entry Schematics

Fig 1: Keyless Entry Schematic
GM745093Courtesy of GENERAL MOTORS CORP.