LEMON Manuals: Even more car manuals for everyone: 1960-2025
Home >> Cadillac >> 2002 >> Escalade EXT >> Repair and Diagnosis >> Body & Frame >> Seats >> Power Seat System >> Component Locator >> Power Seat Systems Component Views
April 5, 2026: LEMON Manuals is launched! Read the announcement.

Power Seat Systems Component Views

Fig 1: Driver Seat (W/O Memory) Component View
GM397558Courtesy of GENERAL MOTORS CORP.
Callout Component Name
1 Seat Belt Exit Housing
2 Lumbar
3 Seat Belt Retractor
4 Recliner Handle
5 Floor Mounting Bracket
6 Power Seat Adjuster (6-Way)
7 Lumbar Handle (Manual)
8 Inflatable Restraint Sensing and Diagnostic Module
9 Seat Cushion
10 Armrest
11 Seat Back
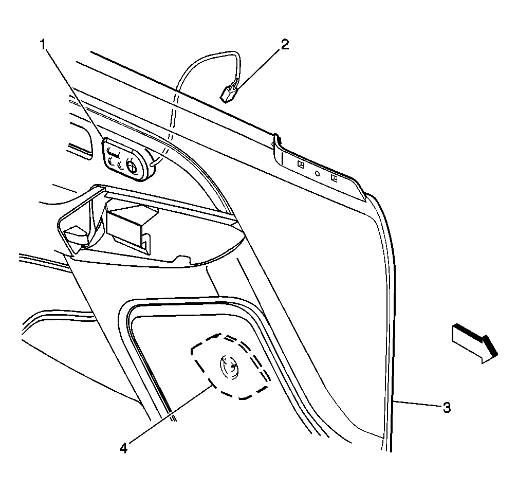
Fig 2: Driver Door Panel Components (w/Heated Seats)
GM350036Courtesy of GENERAL MOTORS CORP.
Callout Component Name
1 Heated Seat Switch-Driver
2 Heated Seat Switch Electrical Connector
3 Left Door Panel
4 Speaker-LF Door Tweeter
Fig 3: Front Seat Wiring (w/Heat)
GM656608Courtesy of GENERAL MOTORS CORP.
Callout Component Name
1 C305
2 C399
3 Power Seat Wiring Harness to Heated Seat Switch
4 C301
Fig 4: Driver Door Panel (W/Heated Seats)
GM776923Courtesy of GENERAL MOTORS CORP.
Callout Component Name
1 Driver Door Trim Panel
2 Heated Seat Switch - Driver
Fig 5: Center Console (Utility W/Rear Heated Seats)
GM776924Courtesy of GENERAL MOTORS CORP.
Callout Component Name
1 Front Floor Console
2 Heated Seat Switch - RR
3 Heated Seat Switch - LR
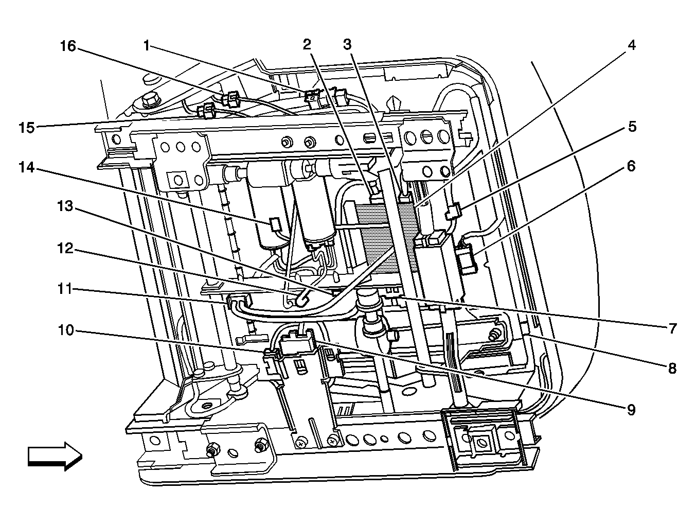
Fig 6: Driver Seat Inlines, Heated Seat Relay, Memory Module and Thermistor-Luxury Full Feature Seat
GM784811Courtesy of GENERAL MOTORS CORP.
Callout Component Name
1 C324
2 Memory Seat Module - Driver C2
3 Memory Seat Module - Driver C1
4 Memory Seat Module - Driver
5 C321
6 C320
7 Memory Seat Module - Driver C3
8 PTC Thermistor
9 C305
10 Inflatible Restraint Side Impact Sensor (SIS) - Left Connector
11 C323
12 C325
13 C322
14 Heated Seat Relay and Logic
15 Seat Belt Switch Connector
16 Heated Seat Element Connector - Driver Back
Fig 7: Horizontal Motor Front/Rear, Vertical Motor and Recliner Motor - Luxury Full Feature Seat, Driver
GM783182Courtesy of GENERAL MOTORS CORP.
Callout Component Name
1 Seat Horizontal Motor
2 Seat Recliner Motor
3 Seat Rear Vertical Motor
4 Seat Front Vertical Motor
Fig 8: Rear Heated Seat Harness
GM788986Courtesy of GENERAL MOTORS CORP.
Callout Component Name
1 Heated Seat Element Connector
2 Heated Seat Module and Conector
3 Seat Cushion
4 Heated Seat Harness Connector
5 PTC Thermistor