LEMON Manuals: Even more car manuals for everyone: 1960-2025
Home >> Cadillac >> 2002 >> Escalade EXT >> Repair and Diagnosis >> Body & Frame >> Windows >> Door System, Mirror System & Window System >> Schematic and Routing Diagrams >> Power Window Schematics
April 5, 2026: LEMON Manuals is launched! Read the announcement.

Power Window Schematics

Fig 1: RAP Relay Controls Schematic
GM745046Courtesy of GENERAL MOTORS CORP.
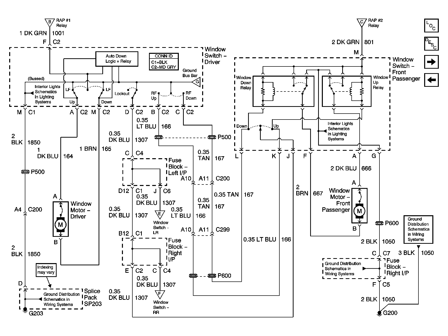
Fig 2: Window Switches and Motors-Front Doors Schematic
GM745048Courtesy of GENERAL MOTORS CORP.
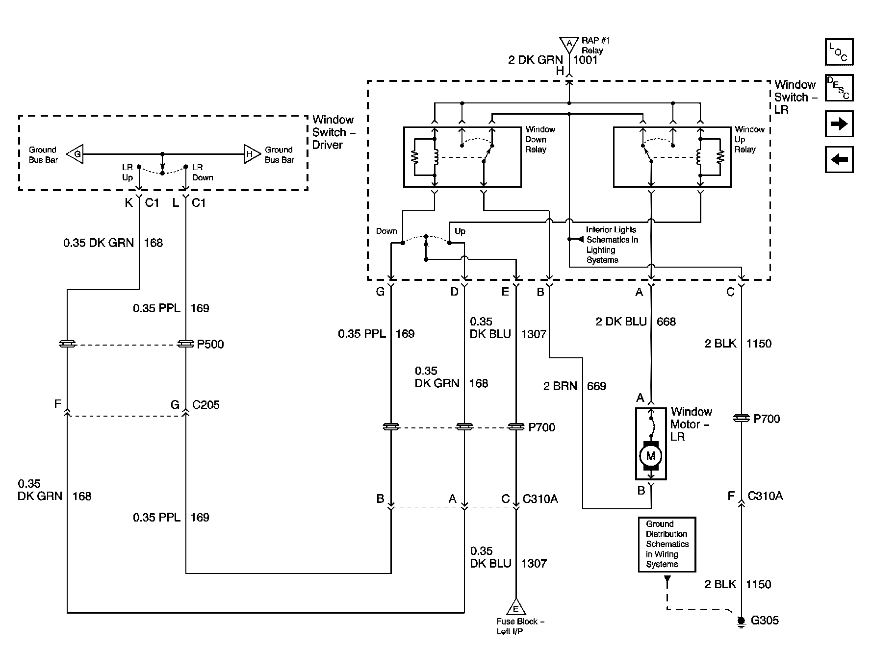
Fig 3: Window Switches and Motor-LR Schematic
GM745050Courtesy of GENERAL MOTORS CORP.
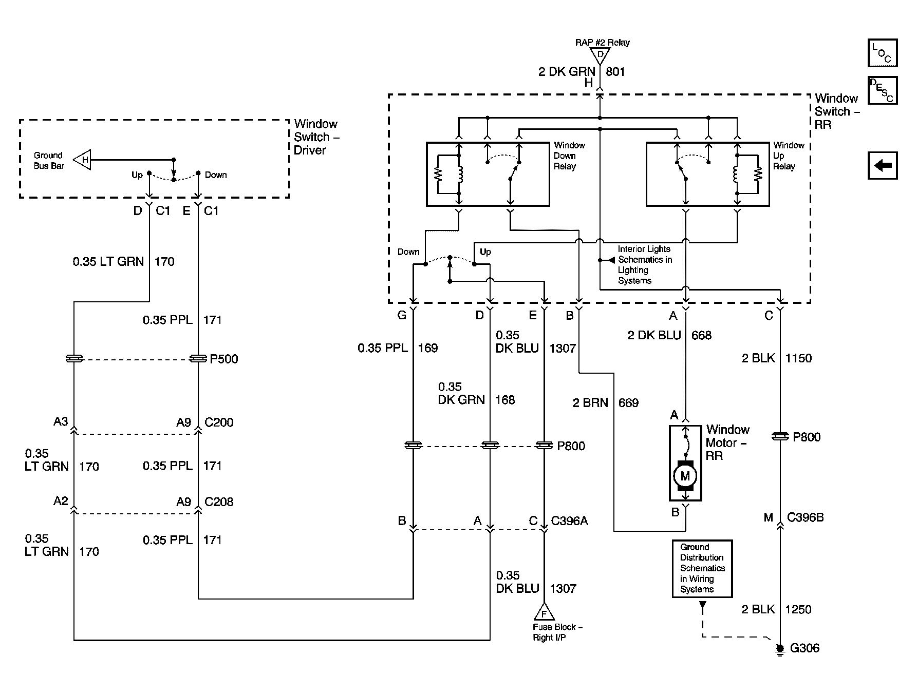
Fig 4: Window Switches and Motor-RR Schematic
GM745052Courtesy of GENERAL MOTORS CORP.