LEMON Manuals: Even more car manuals for everyone: 1960-2025
Home >> Cadillac >> 2002 >> Escalade EXT >> Repair and Diagnosis >> Body & Frame >> Windows >> Stationary Window System >> Schematic and Routing Diagrams >> Defogger Schematics
April 5, 2026: LEMON Manuals is launched! Read the announcement.

Defogger Schematics

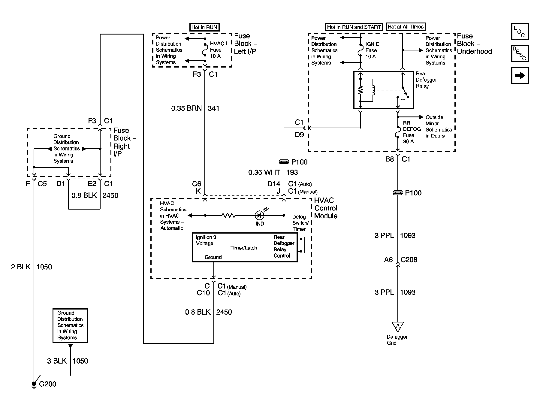
Fig 1: Rear Window Defogger Control
GM744935Courtesy of GENERAL MOTORS CORP.
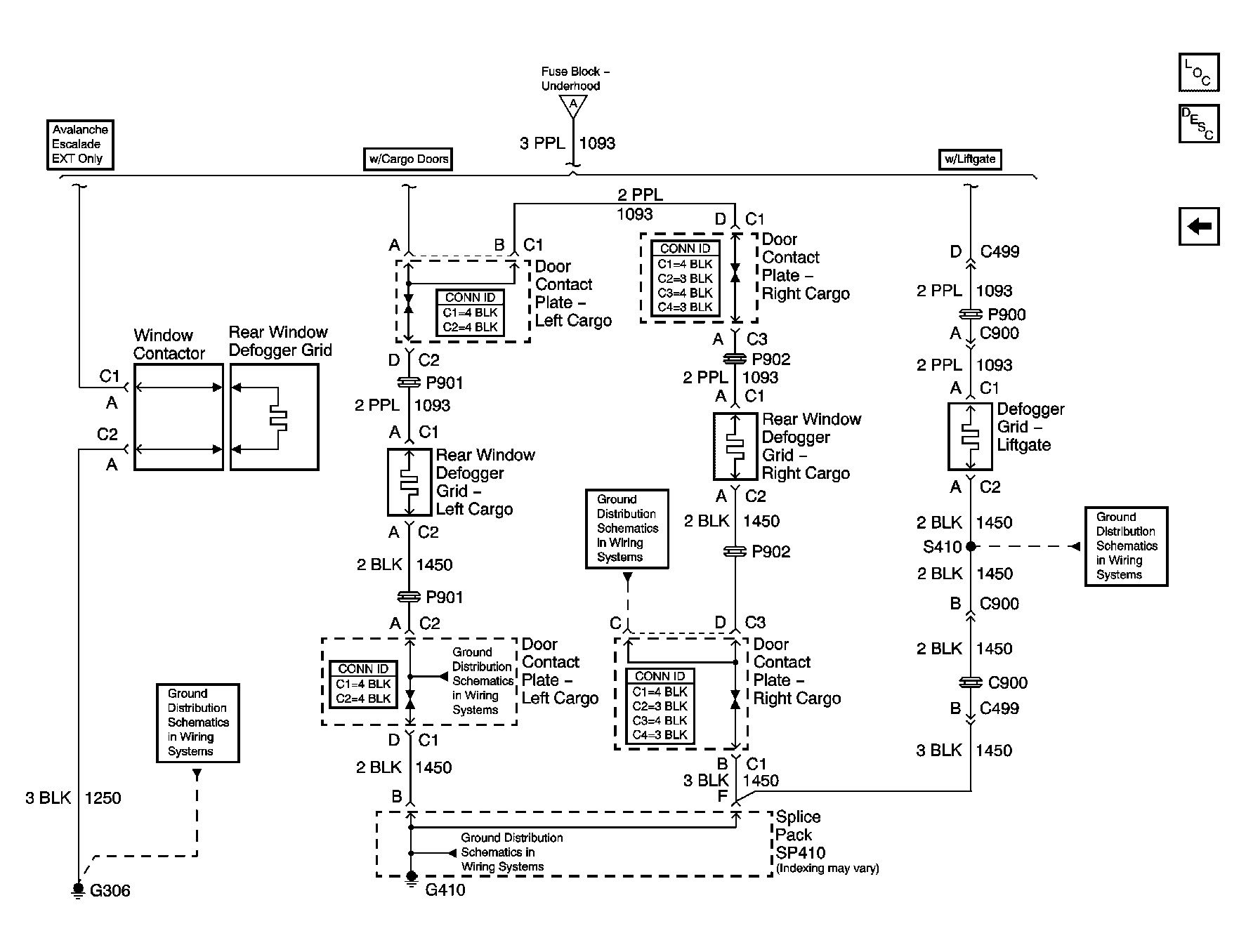
Fig 2: Defogger Grid and Ground
GM744936Courtesy of GENERAL MOTORS CORP.