LEMON Manuals: Even more car manuals for everyone: 1960-2025
Home >> Cadillac >> 2002 >> Escalade EXT >> Repair and Diagnosis >> External Pages >> Different car >> Section 1140 (Lighting Systems) >> Component Locator >> Lighting Systems Component Views
April 5, 2026: LEMON Manuals is launched! Read the announcement.

Lighting Systems Component Views

WARNING: This page is about a different car, the 2003 Pontiac Grand Prix. However, it is still accessible from the selected car via links, so may be relevant.
Fig 1: Front LH Side Of Vehicle (Right Front Similar) Component View
G01503093Courtesy of GENERAL MOTORS CORP.
Fig 2: Front Fascia Component View
G01503094Courtesy of GENERAL MOTORS CORP.
Fig 3: LH Upper Side Of Instrument Panel Component View
G01503095Courtesy of GENERAL MOTORS CORP.
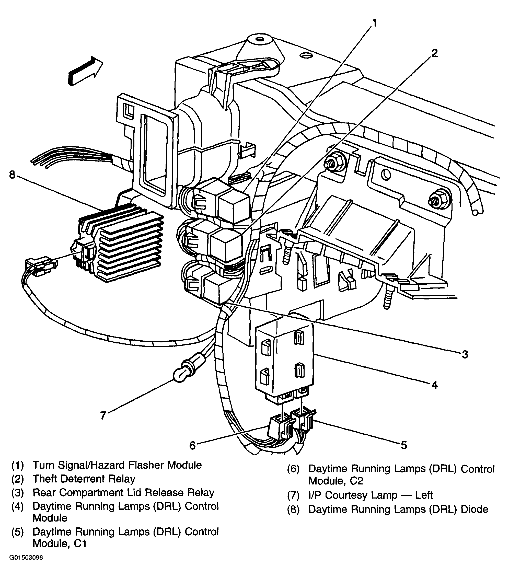
Fig 4: LH Lower Side Of Instrument Panel Component View
G01503096Courtesy of GENERAL MOTORS CORP.
Fig 5: Above Brake Pedal Component View
G01503097Courtesy of GENERAL MOTORS CORP.
Fig 6: Below Steering Column Component View
G01503098Courtesy of GENERAL MOTORS CORP.
Fig 7: Interior Roof Component View
G01503099Courtesy of GENERAL MOTORS CORP.
Fig 8: Forward Center Of Interior Compartment Component View
G01503100Courtesy of GENERAL MOTORS CORP.
Fig 9: Top Center Of Instrument Panel Component View
G01503101Courtesy of GENERAL MOTORS CORP.
Fig 10: Inside Instrument Panel Compartment Component View
G01503102Courtesy of GENERAL MOTORS CORP.
Fig 11: Below Instrument Panel Compartment Component View
G01503103Courtesy of GENERAL MOTORS CORP.
Fig 12: RH Side Of Instrument Panel Component View
G01503104Courtesy of GENERAL MOTORS CORP.
Fig 13: Inside Left Front Door, Right Similar Component View
G01503105Courtesy of GENERAL MOTORS CORP.
Fig 14: Multifunction Turn Signal Lever Component View
G01503106Courtesy of GENERAL MOTORS CORP.
Fig 15: Front Center Of Roof Component View
G01503107Courtesy of GENERAL MOTORS CORP.
Fig 16: Floor Console Component View
G01503108Courtesy of GENERAL MOTORS CORP.
Fig 17: RH Side Of Headliner Component View
G01503109Courtesy of GENERAL MOTORS CORP.
Fig 18: Top Of Rear Window Deck Component View
G01503110Courtesy of GENERAL MOTORS CORP.
Fig 19: Inside Rear Compartment, Under Package Shelf Component View
G01503111Courtesy of GENERAL MOTORS CORP.
Fig 20: Inside Rear Compartment Lid Component View
G01503112Courtesy of GENERAL MOTORS CORP.
Fig 21: Tail Lamp Assembly Component View
G01503113Courtesy of GENERAL MOTORS CORP.
Fig 22: Rear Fascia Component View
G01503114Courtesy of GENERAL MOTORS CORP.