LEMON Manuals: Even more car manuals for everyone: 1960-2025
Home >> Cadillac >> 2002 >> Escalade EXT >> Repair and Diagnosis >> External Pages >> Different car >> Section 1189 (Door System, Mirror System & Window System) >> Schematic and Routing Diagrams >> Door Control Module Schematics
April 5, 2026: LEMON Manuals is launched! Read the announcement.

Door Control Module Schematics

WARNING: This page is about a different car, the 2004 Chevrolet Corvette. However, it is still accessible from the selected car via links, so may be relevant.
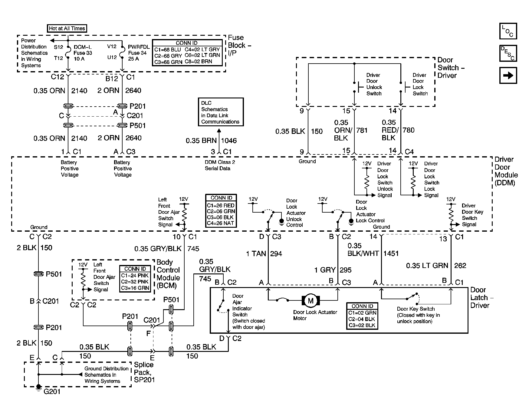
Fig 1: Driver Door Module Schematics (DDM) Power, Ground And DLC Schematic
GM690759Courtesy of GENERAL MOTORS CORP.
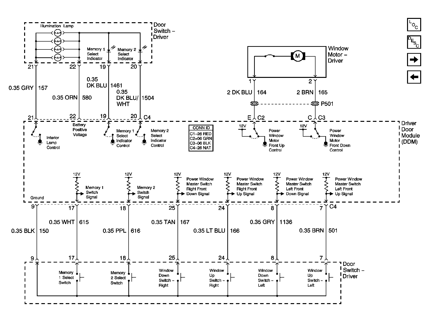
Fig 2: Driver Door Memory And Window Control Schematic
GM690766Courtesy of GENERAL MOTORS CORP.
Fig 3: Driver Door Mirror Control Schematic
GM690770Courtesy of GENERAL MOTORS CORP.
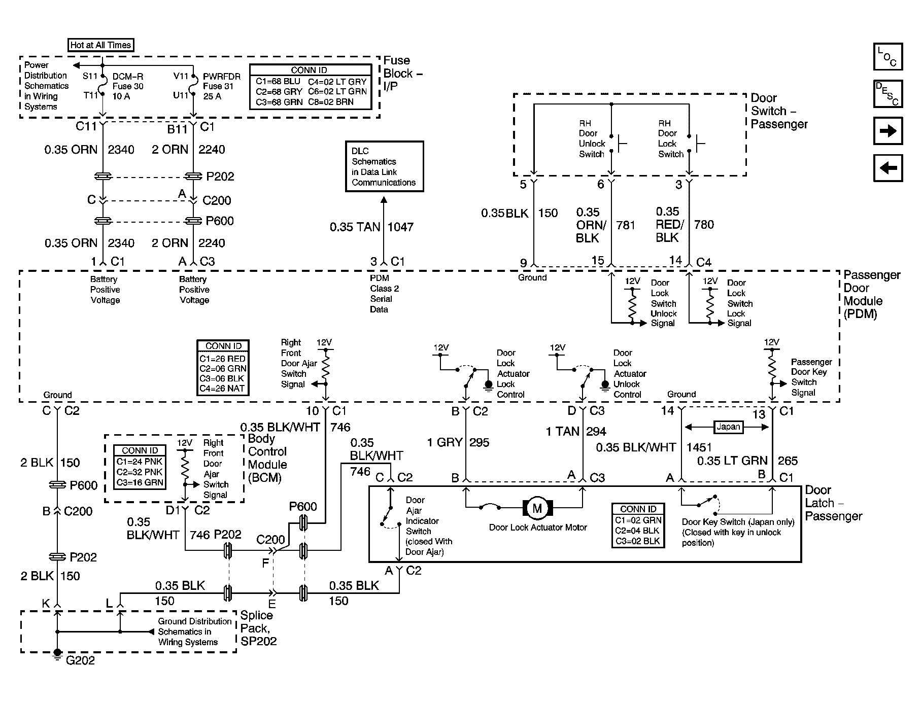
Fig 4: Passenger Door Module Schematics (PDM) Power, Ground And DLC Schematic
GM690772Courtesy of GENERAL MOTORS CORP.
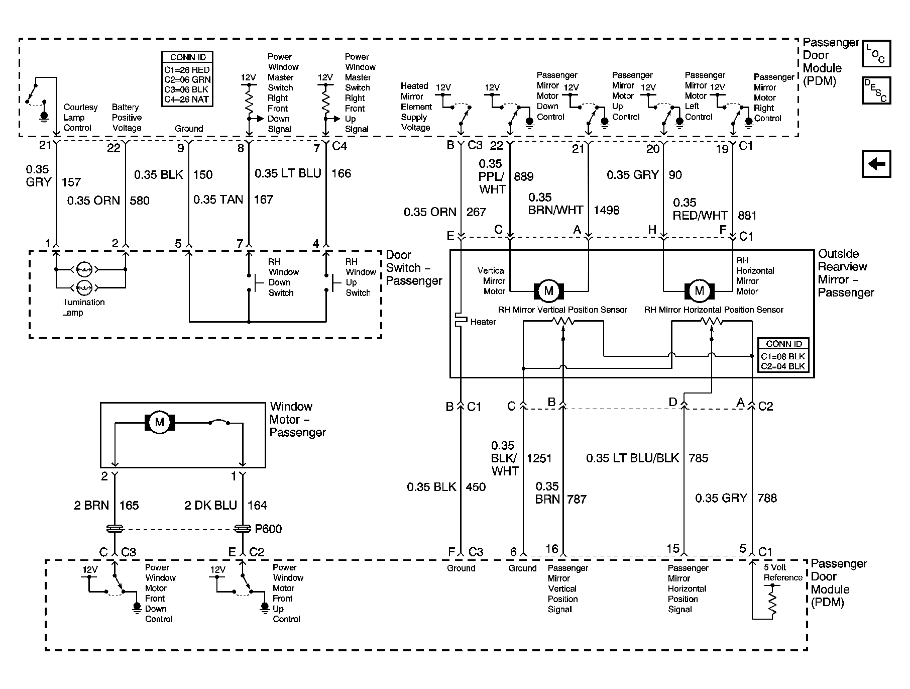
Fig 5: Passenger Door Mirror And Window Control Schematic
GM690777Courtesy of GENERAL MOTORS CORP.