LEMON Manuals: Even more car manuals for everyone: 1960-2025
Home >> Cadillac >> 2002 >> Escalade EXT >> Repair and Diagnosis >> External Pages >> Different car >> Section 1280 (Cruise Control System) >> Schematic and Routing Diagrams >> Cruise Control Schematics
April 5, 2026: LEMON Manuals is launched! Read the announcement.

Cruise Control Schematics

WARNING: This page is about a different car, the 2003 GMC Sierra, 2003 GMC Cab & Chassis Sierra, 2003 Chevrolet Silverado, and 2003 Chevrolet Cab & Chassis Silverado. However, it is still accessible from the selected car via links, so may be relevant.
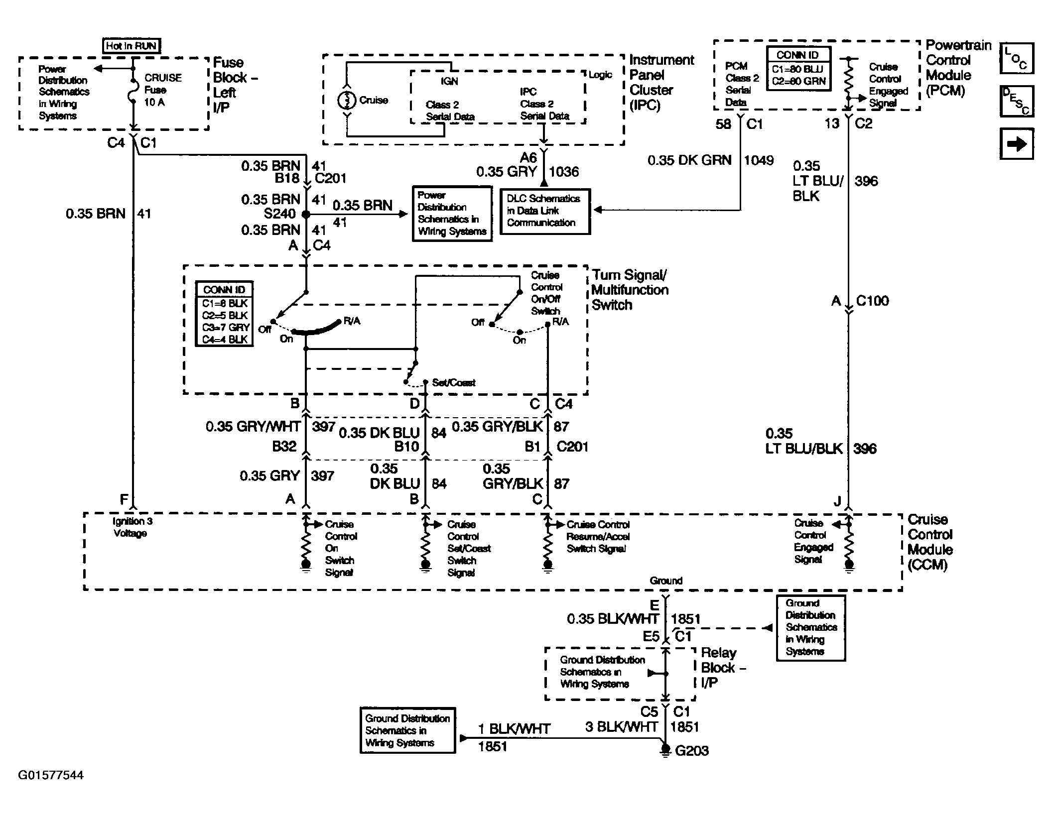
Fig 1: Cruise Control Schematics (4.3L Cruise Control Schematics-1 Of 2)
G01577544Courtesy of GENERAL MOTORS CORP.
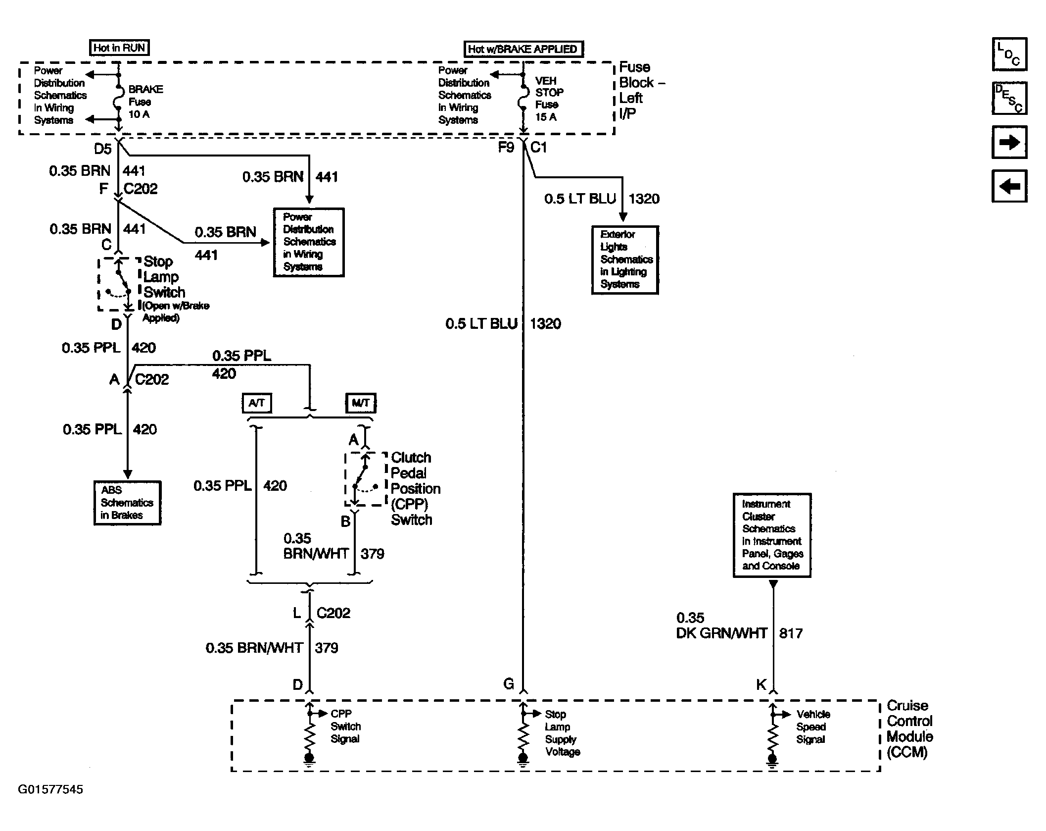
Fig 2: Cruise Control Schematics (4.3L Cruise Control Schematics-2 Of 2)
G01577545Courtesy of GENERAL MOTORS CORP.
Fig 3: Cruise Control Schematics (4.8, 5.3, 6.0 & 8.1L Cruise Control Schematics - 1 Of 2)
G01577546Courtesy of GENERAL MOTORS CORP.
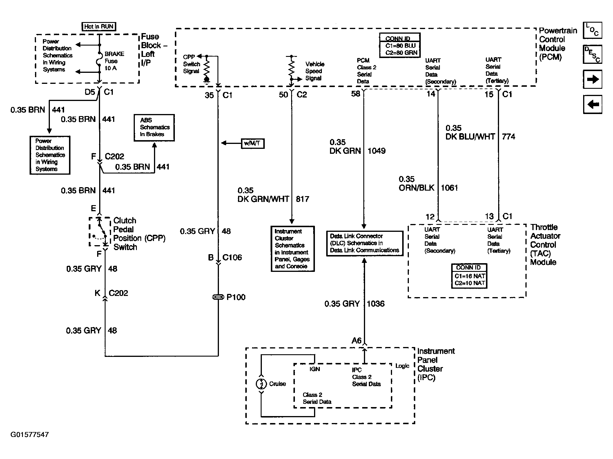
Fig 4: Cruise Control Schematics (4.8, 5.3, 6.0 & 8.1L Cruise Control Schematics - 2 Of 2)
G01577547Courtesy of GENERAL MOTORS CORP.
Fig 5: Cruise Control Schematics (Diesel Cruise Control Schematics)
G01577548Courtesy of GENERAL MOTORS CORP.