LEMON Manuals: Even more car manuals for everyone: 1960-2025
Home >> Cadillac >> 2002 >> Escalade EXT >> Repair and Diagnosis >> External Pages >> Different car >> Section 1311 (Door System, Mirror System & Window System) >> Component Locator >> Power Door Systems Component Views
April 5, 2026: LEMON Manuals is launched! Read the announcement.

Power Door Systems Component Views

WARNING: This page is about a different car, the 2003 Buick Regal and 2003 Buick Century. However, it is still accessible from the selected car via links, so may be relevant.
Fig 1: Center Of Left Front Door Trim Panel Component View
G01587902Courtesy of GENERAL MOTORS CORP.
Fig 2: Inside Left Door Component View
G01587903Courtesy of GENERAL MOTORS CORP.
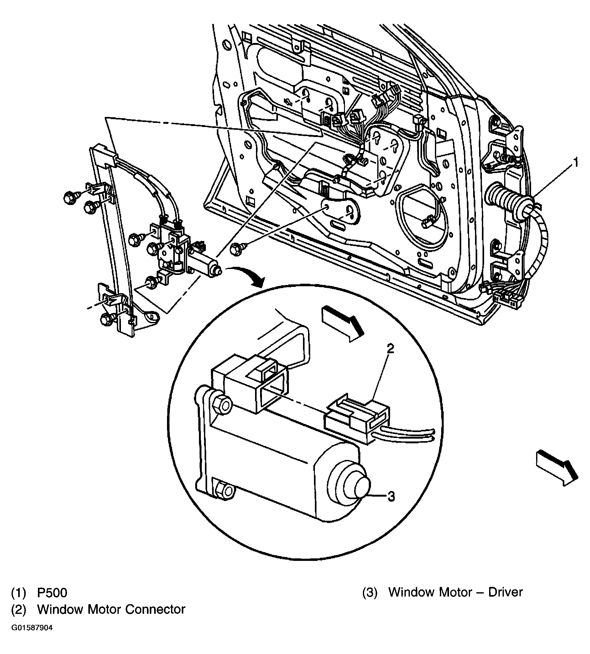
Fig 3: Left Front Door Component View
G01587904Courtesy of GENERAL MOTORS CORP.
Fig 4: Forward Edge Of Driver Door, Base Of Side Window - Left Component View
G01587905Courtesy of GENERAL MOTORS CORP.
Fig 5: Right Rear Door Component View
G01587906Courtesy of GENERAL MOTORS CORP.
Fig 6: Rear Door Panel Component View
G01587907Courtesy of GENERAL MOTORS CORP.