LEMON Manuals: Even more car manuals for everyone: 1960-2025
Home >> Cadillac >> 2002 >> Escalade EXT >> Repair and Diagnosis >> External Pages >> Different car >> Section 1318 (Wiper System And Washer System) >> Repair Instructions >> Wiper Drive System Module Replacement >> Removal Procedure
April 5, 2026: LEMON Manuals is launched! Read the announcement.

Removal Procedure

WARNING: This page is about a different car, the 2002 Pontiac Grand Prix. However, it is still accessible from the selected car via links, so may be relevant.
  1. Remove air inlet grille panel. Refer to AIR INLET GRILLE PANEL REPLACEMENT .
  2. Remove the wiper motor water deflector. Refer to Wiper Motor Water Deflector Replacement .
  3. Using the J 39232,  disconnect wiper transmission from the wiper motor crank arm.
    Fig 1: Disconnecting Wiper Transmission From Wiper Motor Crank Arm
    G01616251Courtesy of GENERAL MOTORS CORP.
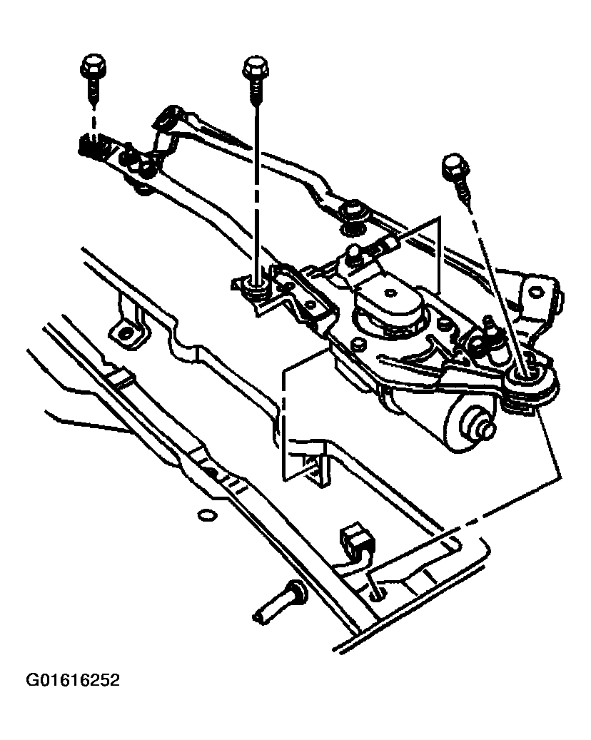
  4. Remove the wiper drive system module screws.
  5. Disconnect the wiper motor electrical connector.
  6. Remove the wiper drive system module from the vehicle.
    Fig 2: Wiper Drive System Module
    G01616252Courtesy of GENERAL MOTORS CORP.