LEMON Manuals: Even more car manuals for everyone: 1960-2025
Home >> Cadillac >> 2002 >> Escalade EXT >> Repair and Diagnosis >> External Pages >> Different car >> Section 1318 (Wiper System And Washer System) >> Schematic and Routing Diagrams >> Wiper/Washer System Schematics
April 5, 2026: LEMON Manuals is launched! Read the announcement.

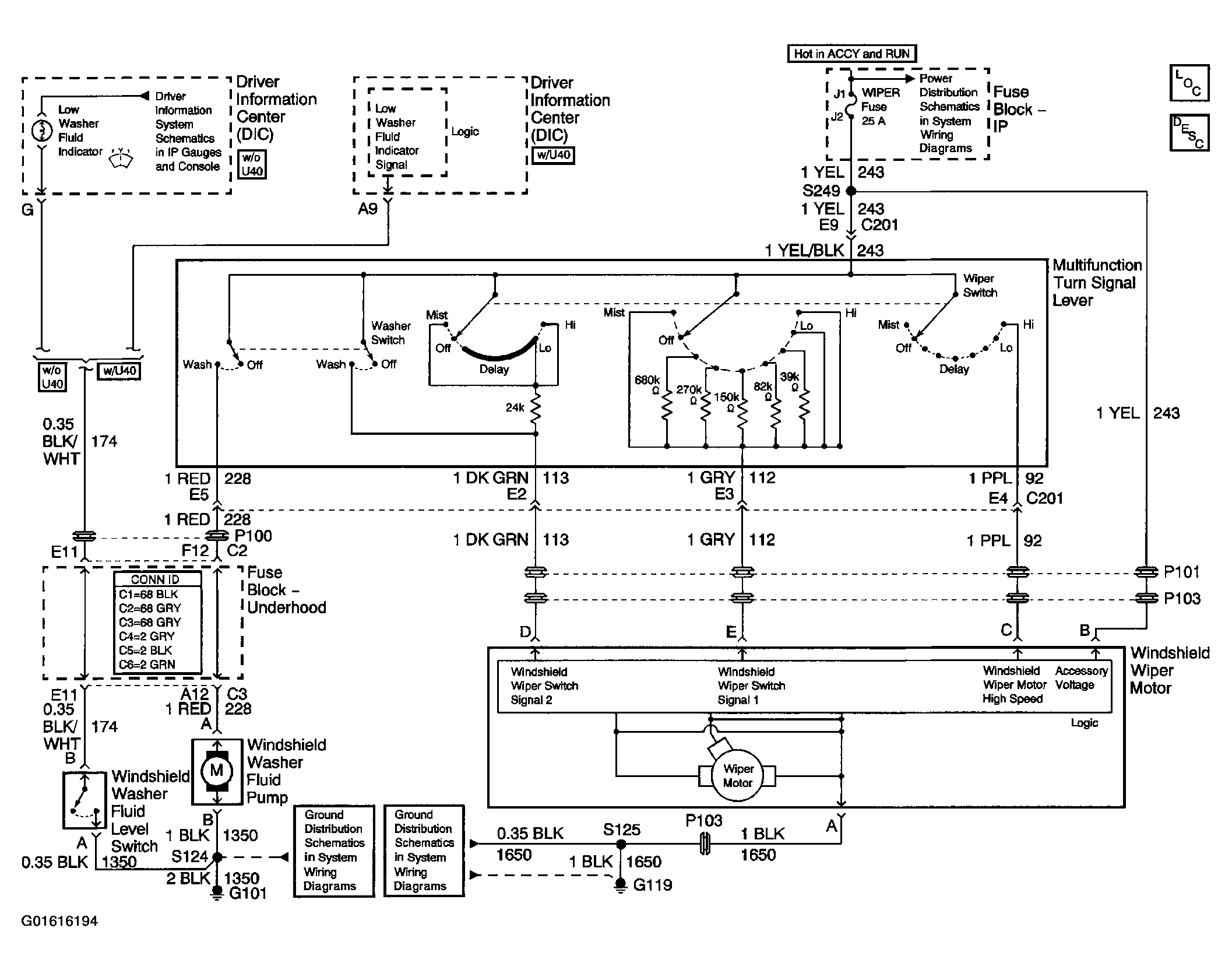
Wiper/Washer System Schematics

WARNING: This page is about a different car, the 2002 Pontiac Grand Prix. However, it is still accessible from the selected car via links, so may be relevant.
Fig 1: Wiper/Washer System Schematics
G01616194Courtesy of GENERAL MOTORS CORP.