LEMON Manuals: Even more car manuals for everyone: 1960-2025
Home >> Cadillac >> 2002 >> Escalade EXT >> Repair and Diagnosis >> External Pages >> Different car >> Section 1340 (Cruise Control System) >> Diagnostic Information and Procedures >> DTC P0568: Set/Coast Switch Is Applied For Longer Than 90 Seconds >> Notes
April 5, 2026: LEMON Manuals is launched! Read the announcement.

DTC P0568: Set/Coast Switch Is Applied For Longer Than 90 Seconds: Notes

WARNING: This page is about a different car, the 2003 Saturn Vue. However, it is still accessible from the selected car via links, so may be relevant.
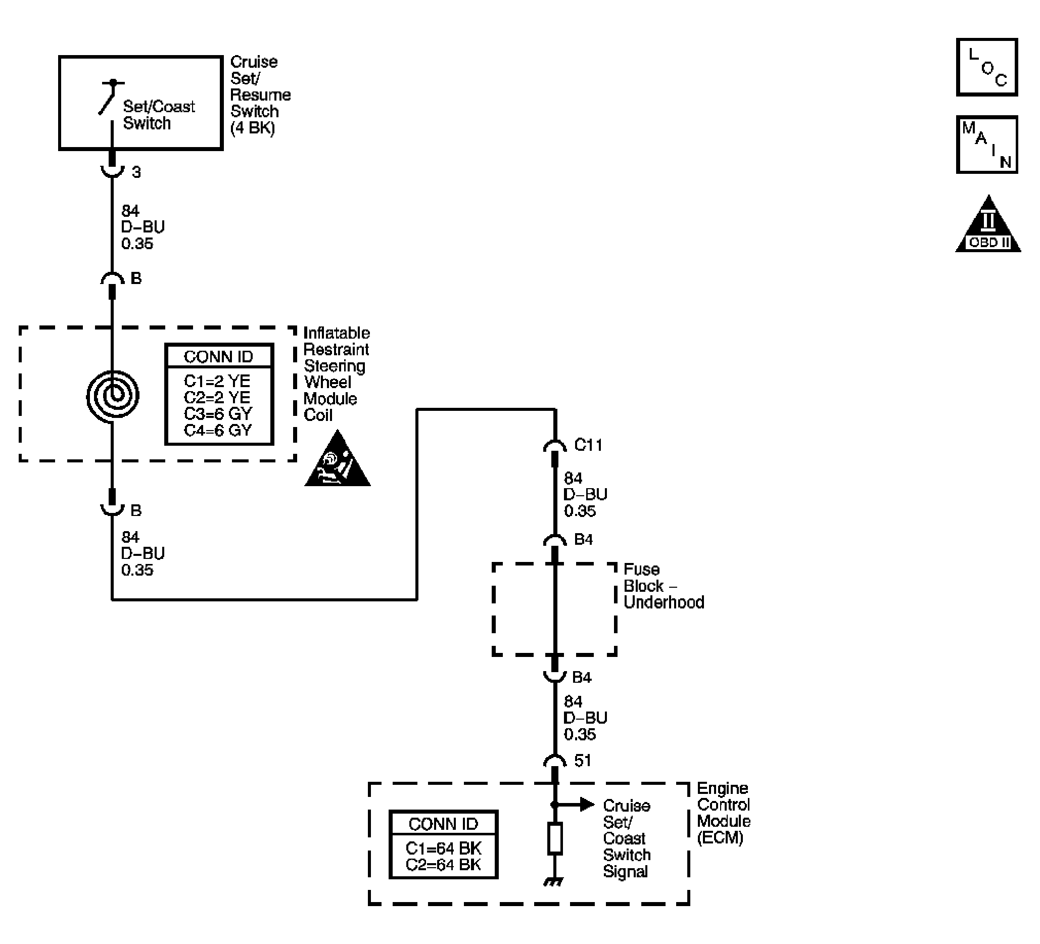
Fig 1: DTC P0568 Circuit (2.2L)
GM1243028Courtesy of GENERAL MOTORS CORP.