LEMON Manuals: Even more car manuals for everyone: 1960-2025
Home >> Cadillac >> 2002 >> Escalade EXT >> Repair and Diagnosis >> External Pages >> Different car >> Section 1352 (Wiper System And Washer System) >> Diagnostic Information and Procedures >> DTC B3702: Intermittent Wiper Delay Input Circuit Low >> Notes
April 5, 2026: LEMON Manuals is launched! Read the announcement.

DTC B3702: Intermittent Wiper Delay Input Circuit Low : Notes

WARNING: This page is about a different car, the 2003 Saturn Vue. However, it is still accessible from the selected car via links, so may be relevant.
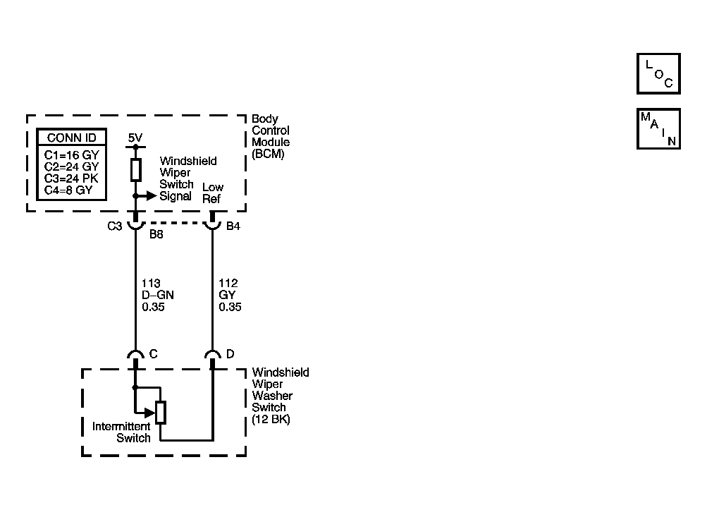
Fig 1: DTC B3702 Circuit Diagram
GM1239499Courtesy of GENERAL MOTORS CORP.